Подключение с применением электромагнитного балласта или ЭПРА
Особенности строения не позволяют подключить ЛДС непосредственно в сеть 220 В – работа от такого уровня напряжения невозможна. Для запуска требуется напряжение не ниже 600В.
С помощью электронных схем необходимо последовательно друг за другом обеспечить нужные режимы работы, каждый из которых требует определенного уровня напряжений.
Режимы работы:
- розжиг;
- свечение.
Запуск заключается в подаче импульсов высокого напряжения (до 1 кВ) на электроды, в результате чего между ними возникает разряд.
Отдельные виды пускорегулирующей аппаратуры, перед тем как произвести пуск, нагревают спираль электродов. Накаливание помогает легче запустить разряд, нить при этом меньше перегревается и дольше служит.
После того как светильник загорелся, питание производится переменным напряжением, включается энергосберегающий режим.


В устройствах, выпускаемых промышленностью, используются два вида пускорегулирующей аппаратуры (ПРА):
- электромагнитный пускорегулирующий аппарат ЭмПРА;
- электронный пускорегулирующий аппарат – ЭПРА.
Схемы предусматривают различное подключение, оно представлено ниже.
Схема с ЭмПРА

В состав электрической схемы светильника с электромагнитной пускорегулирующей аппаратурой (ЭмПРА) входят элементы:
- дроссель;
- стартер;
- компенсирующий конденсатор;
- люминесцентная лампа.

В момент подачи питания через цепь: дроссель – электроды ЛДС, на контактах стартера появляется напряжения.
Биметаллические контакты стартера, находящиеся в газовой среде, нагреваясь, замыкаются. Из-за этого в цепи светильника создается замкнутый контур: контакт 220 В – дроссель – электроды стартера – электроды лампы – контакт 220 В.
Нити электродов, разогреваясь, испускают электроны, которые создают тлеющий разряд. Часть тока начинает течь по цепи: 220В – дроссель – 1-й электрод – 2-й электрод – 220 В. Ток в стартере падает, биметаллические контакты размыкаются. По законам физики в этот момент возникает ЭДС самоиндукции на контактах дросселя, что приводит к возникновению высоковольтного импульса на электродах. Происходит пробой газовой среды, возникает электрическая дуга между противоположными электродами. ЛДС начинает светиться ровным светом.
В дальнейшем подсоединенный в линию дроссель обеспечивает низкий уровень силы тока, протекающего через электроды.
Дроссель, подключенный в цепь переменного тока, работает как индуктивное сопротивление, снижая до 30 % коэффициент полезного действия светильника.
Внимание! С целью уменьшения потерь энергии в схему включают компенсирующий конденсатор, без него светильник будет работать, но электропотребление увеличится
Схема с ЭПРА
Внимание! В рознице ЭПРА часто встречаются под наименованием электронный балласт. Название драйвер продавцы применяют для обозначения блоков питания для светодиодных лент

Внешний вид и устройство электронного балласта, предназначенного для включения двух ламп, мощностью 36 ватт каждая.
В схемах с ЭПРА физические процессы остаются прежними. В некоторых моделях предусмотрено предварительное нагревание электродов, что увеличивает срок службы лампы.

На рисунке показан внешний вид ЭПРА для различных по мощности устройств.
Размеры позволяют разместить ЭПРА даже в цоколе Е27.

Компактные ЭСЛ – один из видов люминесцентных могут иметь цоколь g23.


На рисунке представлена упрощенная функциональная схема ЭПРА.
Как подключить лампу
Люминесцентную лампу можно подключить несколькими способами. Выбор зависит от условий эксплуатации и предпочтений пользователя.
Подключение с использованием электромагнитного балласта
Распространен метод подключения с использованием стартера и ЭмПРА. Питание в сети запускает стартер, который замыкает биметаллические электроды.
Ограничение тока в схеме осуществляется за счет внутреннего дроссельного сопротивления. Рабочий ток можно увеличить практически в три раза. Стремительный нагрев электродов и появление процесса самоиндукции вызывают зажигание.
Подключение при помощи ЭмПРА.
Сравнивая метод с другими схемами подключения ламп дневного света, можно сформулировать недостатки:
- значительный расход электроэнергии;
- длительный запуск, который может занимать 3 с;
- схема не способна функционировать в условиях пониженных температур;
- нежелательное стробоскопическое мигание, негативно влияющее на зрение;
- дроссельные пластинки по мере износа могут издавать гудение.
Схема включает один дроссель на две лампочки, для одноламповой системы метод не подойдет.
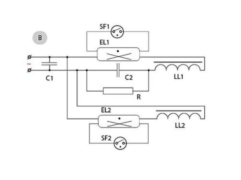
Две трубки и два дросселя
В данном случае реализуется последовательное подключение нагрузок с подачей фазы на вход сопротивления.
Выход через фазу соединяется с контактом осветительного прибора. Второй контакт направляется на нужный вход стартера.
Схема с двумя трубками и двумя дросселями.
От стартера контакт идет к лампе, а свободный полюс — к нулю схемы. Так же подключается второй светильник. Подсоединяется дроссель, после чего монтируется колба.
Схема подключения двух ламп от одного дросселя
Для подсоединения двух осветительных приборов от одного стабилизатора потребуется два стартера. Схема экономная, поскольку дроссель это наиболее дорогой компонент системы. Схема показана на рисунке ниже.
Схема подключения двух светильников от одного дросселя.
Электронный балласт
Электронный балласт представляет собой современный аналог традиционного электромагнитного стабилизатора. Он значительно улучшает пуск схемы и делает использование осветительного прибора более комфортным.

Такие аппараты не гудят во время работы и потребляют значительно меньше электроэнергии. Мерцаний не появляется даже при низких частотах напряжения.
Подключение с помощью электронного балласта.
Обмотки трансформатора в данном случае включаются противофазно, а генератор нагружается высокочастотным напряжением. При подаче резонансного напряжения внутри колбы происходит пробой газовой среды, который порождает необходимое свечение.
Сразу после розжига сопротивление и подаваемое на нагрузку напряжение падают. Запуск при помощи схемы обычно занимает не более секунды. Причем можно легко использовать источники освещения без стартера.
Использование умножителей напряжения
Использование умножителей напряжения.
Метод помогает использовать люминесцентную лампу без электромагнитной балансировки. В ряде случаев он наиболее эффективен и продлевает срок службы аппарата. Даже перегоревшие приборы способны проработать некоторое время при мощностях, не превышающих 40 Вт.
Схема выпрямления дает значительное ускорение и возможность увеличить напряжение в два раза. Для его стабилизации используются конденсаторы.

Тематическое видео: Подробно про умножитель напряжения
Важно помнить, что люминесцентные лампочки не предназначены для работы с постоянным током. С течением времени ртуть скапливается в определенном участке, что снижает яркость. Для восстановления показателя необходимо периодически менять полярность, переворачивая колбу
Можно установить переключатель, чтобы не разбирать прибор
Для восстановления показателя необходимо периодически менять полярность, переворачивая колбу. Можно установить переключатель, чтобы не разбирать прибор.
Подключение без стартера
Схема подключения без стартера.
Стартер увеличивает время разогрева прибора. Однако он недолговечен, поэтому пользователи задумываются о подключении освещения без него через вторичные трансформаторные обмотки.
В продаже можно найти аппараты с маркировкой RS, которая говорит о возможности подключения без стартера. Установка такого элемента в осветительный прибор помогает значительно сократить время зажигания.
Преимущества и недостатки балластов разного типа
Для ограничения величины тока в газовом разряде и предупреждения выхода из строя из-за этого электродов в схемы последовательно включается нагрузка, которая называется по-разному: дроссель, балласт, балластник. Это представители категории пуско-регулирующией аппаратуры (ПРА). Существуют и применяются два вида балластников: электромагнитный и электронный.
ЭмПРА
Электромагнитный балласт (электромеханическая пускорегулирующая аппаратура – ЭПРА) создан на основе трансформаторной комплектации. Это и есть тот самый дроссель – катушка с сердечником. Дроссель при размыкании контактов формирует импульс напряжения с большой величины, обеспечивающий зажигание. Газовая среда в баллоне лампы излучает ультрафиолет, он облучает люминофор, а тот испускает видимый свет.
ЭПРА
Электронная пускорегулирующая аппаратура создаётся на обычных компонентах электронной техники: диодах, триодах, транзисторах, динисторах и т. п. В этом случае в одном устройстве в одной электронной схеме реализуются функции и дросселя, и стартера. Устройство получается лёгким, компактным и дешёвым.
У электронных пусковых устройств имеется хороший набор преимуществ перед магнитными. Они быстро срабатывают и включают лампы. Включённые лампы не мерцают, а устройства работают бесшумно. Тепловые потери снижены. Оптимальная схемотехника обеспечивает длительный срок службы.
Лампа с электронным балластом многофункциональна. Она работает в четырех режимах: включения, предварительного разогревания, зажигания и горения.
Статьи по теме
Схема включения люминесцентных ламп гораздо сложнее, нежели у ламп накаливания. Их зажигание требует присутствия особых пусковых приборов, а от качества исполнения этих приборов зависит срок эксплуатации лампы.
Чтоб понять, как работают системы запуска, нужно до этого ознакомиться с устройством самого осветительного устройства.
Люминесцентная лампа представляет из себя газоразрядный источник света, световой поток которого формируется в главном за счёт свечения нанесённого на внутреннюю поверхность колбы слоя люминофора.

При включении лампы в парах ртути, которыми заполнена пробирка, случается электронный разряд и возникшее при всем этом уф-излучение воздействует на покрытие из люминофора. При всем этом происходит преобразование частот невидимого уф-излучения (185 и 253,7 нм) в излучение видимого света. Ети лампы обладают низким потреблением электроэнергии и пользуются большой популярностью, особенно в производственных помещениях.
При подключении люминесцентных ламп используется особая пуско-регулирующая техника – ПРА. Различают 2 вида ПРА. электронная – ЭПРА (электронный балласт) и электромагнитная – ЭМПРА (стартер и дроссель).
Схема подключения с применением электромагнитный балласта или ЭмПРА (дросель и стартер)
Более распространённая схема подключения люминесцентной лампы – с использованием ЭМПРА. Это стартерная схема включения.

Принцип работы: при подключении электропитания в стартере появляется разряд и замыкаются накоротко биметаллические электроды, после этого ток в цепи электродов и стартера ограничивается лишь внутренним сопротивлением дросселя, в следствии чего же возрастает практически втрое больше рабочий ток в лампе и мгновенно нагреваются электроды люминесцентной лампы. Одновременно с этим остывают биметаллические контакты стартера и цепь размыкается. В то же время разрыва дроссель, благодаря самоиндукции создает запускающий высоковольтный импульс (до 1 кВольта), который приводит к разряду в газовой среде и загорается лампа. После чего напряжение на ней станет равняться половине от сетевого, которого станет недостаточно для повторного замыкания электродов стартера. Когда лампа светит стартер не будет участвовать в схеме работы и его контакты будут и останутся разомкнуты.
В сравнении со схемой с электронным балластом на 10-15 % больший расход электричества.
Долгий пуск не менее 1 до 3 секунд (зависимость от износа лампы)
Неработоспособность при низких температурах окружающей среды. К примеру, зимой в неотапливаемом гараже.
Стробоскопический результат мигания лампы, что плохо оказывает влияние на зрение, при чем детали станков, вращающихся синхронно с частотой сети- кажутся неподвижными.
Звук от гудения пластинок дросселя, растущий со временем.

Схема включения с двумя лампами но одним дросселем. Следует заметить что индуктивность дросселя должна быть достаточной по мощности етих двух ламп. Следует заметить что в последовательной схеме включения двох ламп применяются стартеры на 127 Вольт, они не будут работать в одноламповой схеме, для которой понадобятся стартеры на 220 Вольт
Ета схема где, как видите, нет ни стартера ни дроселя, можна применить если у ламп перегорели нити накала. В таком случае зажечь ЛДС можно при помощи повышающего трансформатора Т1 и конденсатора С1 который ограничит ток протекающий через лампу от сети 220вольт.
Ета схема подойдет все для тех же ламп у которых перегорели нити накала, но сдесь уже ненада повышающего трансформатора что явно упрощает конструкцию устройства
А вот такая схема с применением диодного выпрямительного моста устраняет ее мерцание лампы с частотой сети, которое снановится очень заметным при ее старении.

Электронный Пускорегулирующий Аппарат (ЭПРА) в отличии от электромагнитного подает на лампы напряжение не сетевой частоты, а высокочастотное от 25 до 133 кГц. А это полностью исключает вероятность появления приметного для глаз мерцания ламп. В ЭПРА используется автогенераторная схема, включающая трансформатор и выходной каскад на транзисторах.
Основные преимущества схем с ЭПРА
Повышение срока эксплуатации люминесцентных ламп, благодаря особому режиму работы и пуска.
В сравнении с ПРА до 20% экономия электричества.
Отсутствие в ходе работы шума и мерцания.
Отсутствует в схеме стартер, который часто ломается.
Особые модели выпускаются с возможностью диммирования либо регулировки яркости свечения.
Схема подключения конкретного электронного балласта изображена на каждом конкретном устройстве и не составляет особой проблемы в подключении

Подключение без дросселя

В данном подключении дроссель не используется
Этот способ используется в основном в старых лампах при выходе из строя балласта. Сделать это можно посредством использования постоянного тока, номинал которого выше обычного. То есть напряжение в момент пуска следует повысить. Сила этого напряжения подбирается исходя из характеристик как сети, так и самого источника света.
Для подключения люминесцентной лампы без дросселя требуется подсоединение диодного моста (или пары диодов). Контакты замыкаются с обеих сторон попарно. На одну сторону источника освещения должен приходиться плюс, на другую минус.
Подобную схему можно использовать даже при сгоревшей нити накаливания. Ведь цилиндр с газом при этом способе будет подпитываться за счет постоянного напряжения. Учтите лишь, что данный способ можно использовать на короткий период – со временем труба быстро потемнеет, а затем из-за выгорания люминофора вовсе перестанет излучать свет.
Тандыр: устройство, пошаговая инструкция как построить знаменитую узбекскую печь из кирпича, бочки своими руками | Фото & Видео
Принцип работы люминесцентного светильника
Особенность работы люминесцентных светильников заключается в том, что их нельзя напрямую подключать в сеть питания. Сопротивление между электродами в холодном состоянии большое, и величина тока, протекающего между ними, недостаточна для возникновения разряда. Для зажигания требуется импульс высокого напряжения.
Лампа с зажженным разрядом характеризуется низким сопротивлением, которое имеет реактивную характеристику. Для компенсации реактивной составляющей и ограничения протекающего тока последовательно с люминесцентным источником света включается дроссель (балласт).
Многим непонятно, для чего нужен стартер в люминесцентных лампах. Дроссель, включенный в цепь питания совместно со стартером, формирует импульс высокого напряжения для запуска разряда между электродами. Так получается потому, что при размыкании контактов стартера на выводах дросселя формируется импульс ЭДС самоиндукции величиной до 1кВ.
Для чего нужен дроссель
Использование дросселя для люминесцентных ламп (балласта) в цепях питания необходимо по двум причинам:
- формирование напряжения запуска;
- ограничение тока через электроды.
Принцип работы дросселя основан на реактивном сопротивлении катушки индуктивности, которой является дроссель. Индуктивное сопротивление вносит сдвиг фаз между напряжением и током, равный 90º.
Из того, что ограничивающей ток величиной, является индуктивное сопротивление, следует, что дроссели, предназначенные для ламп одной мощности, нельзя использовать для подключения более или менее мощных устройств.
В некоторых пределах возможны допуски. Так, ранее отечественная промышленность выпускала люминесцентные светильники с мощностью 40 Вт. Дроссель 36W для люминесцентных ламп современного производства можно без опасений использовать в цепях питания устаревших светильников и наоборот.
Отличия дросселя от ЭПРА
Дроссельная схема включения люминесцентных источников освещения отличается простотой и высокой надежностью. Исключение составляет регулярная замена стартеров, поскольку в их состав входит группа размыкающих контактов для формирования импульсов запуска.
В то же время схема имеет существенные недостатки, которые заставили искать новые решения включения ламп:
- длительное время запуска, которое увеличивается по мере износа лампы или снижения напряжения питания;
- большие искажения формы напряжения питающей сети (cosф<0.5);
- мерцание свечения с удвоенной частотой питающей сети из-за малой инерционности светимости газового разряда;
- большие массо-габаритные характеристики;
- низкочастотный гул из-за вибрации пластин магнитной системы дросселя;
- низкая надежность запуска при отрицательных температурах.
Проверка дросселя ламп дневного света затрудняется тем, что приборы для определения короткозамкнутых витков распространены мало, а при помощи стандартных приборов можно только констатировать факт наличия или отсутствия обрыва.
Для устранения указанных недостатков разработаны схемы электронной пуско-регулирующей аппаратуры (ЭПРА). Работа электронных схем основана на другом принципе формирования высокого напряжения запуска и поддержания горения.
Высоковольтный импульс генерируется электронными компонентами, а для поддержки разряда используется высокочастотное напряжение (25-100 кГц). Работа ЭПРА может осуществляться в двух режимах:
- с предварительным подогревом электродов;
- с холодным запуском.
В первом режиме на электроды подается низкое напряжения в течение 0.5-1 секунды для первоначального нагрева. По истечении времени подается высоковольтный импульс, из-за которого происходит зажигание разряда между электродами. Данный режим технически реализуется сложнее, но увеличивает срок службы ламп.
Режим холодного запуска отличается тем, что напряжение запуска подается на непрогретые электроды, вызывая быстрое включение. Такой способ запуска не рекомендован для частого использования, поскольку сильно сокращает срок работы, но его можно использовать даже с лампами с неисправными электродами (с перегоревшими нитями накала).
Схемы с электронным дросселем имеют такие преимущества:
полное отсутствие мерцания;
широкий температурный диапазон использования;
малые искажения формы напряжения сети;
отсутствие акустических шумов;
увеличение срока службы источников освещения;
малые габариты и вес, возможность миниатюрного исполнения;
возможность диммирования — изменения яркости путем управления скважности импульсов питания электродов.
Принцип действия ЭПРА
Электронные ПРА (ЭПРА) используют потенциал современной силовой электроники и являются более сложными, но и более функциональными схемами. Такие устройства позволяют контролировать три фазы запуска и регулировать световой поток. В результате повышается срок службы лампы. Также, из-за питания лампы током более высокой частоты (20÷100 кГц) отсутствует видимое мерцание. Упрощённая схема одной из популярных топологий ЭПРА приведена на рис. 2.

Рис. 2 Упрощённая принципиальная схема ЭПРА
На рис. 2 D1-D4 – выпрямитель сетевого напряжения, С – фильтрующий конденсатор, Т1-Т4 – транзисторный мостовой инвертор с трансформатором Tr. Опционально в ЭПРА могут присутствовать входной фильтр, схема коррекции коэффициента мощности, дополнительные резонансные дроссели и конденсаторы.
Полная принципиальная схема одного из типовых современных ЭПРА приведена на рис 3.

Рис. 3 Схема ЭПРА BIGLUZ
В схеме (рис. 3) присутствуют основные выше названные элементы: мостовой диодный выпрямитель, фильтрующий конденсатор в звене постоянного тока (С4), инвертор в виде двух транзисторов с обвязкой (Q1, R5, R1) и (Q2, R2, R3), дроссель L1, трансформатор с тремя выводами TR1, схема запуска и резонансный контур лампы. Две обмотки трансформатора служат для включения транзисторов, третья обмотка входит в состав резонансного контура ЛДС.
Принцип действия стартера
На рис. 1 представлено типовое подключение ЛДС со стартером S и дросселем L. К1, К2 – электроды лампы; С1 – косинусный конденсатор, С2 – фильтрующий конденсатор. Обязательным элементом таких схем является дроссель (катушка индуктивности) и стартер (прерыватель). В качестве последнего зачастую используется неоновая лампа с биметаллическими пластинами. Для улучшения низкого коэффициента мощности из-за наличия индуктивности дросселя применяют входной конденсатор (С1 на рис.1).

Рис. 1 Функциональная схема подключения ЛДС
Фазы запуска ЛДС следующие:
1) Разогрев электродов лампы. В этой фазе ток течёт по цепи «Сеть – L – К1 – S – К2 – Сеть». В этом режиме стартер начинает хаотично замыкаться / размыкаться.
2) В момент разрыва цепи стартером S энергия магнитного поля, накопленная в дросселе L, в виде высокого напряжения прикладывается к электродам лампы. Происходит электрический пробой газа внутри лампа.
3) В режиме пробоя сопротивление лампы ниже, чем сопротивление ветви стартера. Поэтому ток течёт по контуру «Сеть – L – К1 – К2 – Сеть». В этой фазе дроссель L выполняет роль реактивного токоограничивающего сопротивления.
Недостатки традиционной схемы пуска ЛДС: звуковой шум, мерцание с частотой 100 Гц, увеличенное время пуска, низкий КПД.
Возможности запуска при сгоревшем оборудовании
В ремонте люминесцентных ламп есть и свои небольшие хитрости. К примеру, срочно понадобилось запустить подобный световой прибор, а стартер вышел из строя, и нет никакой возможности его заменить. Сам по себе этот элемент схемы служит для разогрева нитей накаливания в люминесцентной трубке.
Ну а если, к примеру, вышел из строя дроссель? Его в наше время и в магазинах не во всех найти можно.
Бездроссельное включение
Продлить работу сгоревшего светового прибора вполне возможно. Есть способ, при котором можно включить люминесцентную лампу дневного света без дросселя и стартера (схема подключения на рисунке). Конечно, этот способ подойдет не всем, нужно хотя бы немного разбираться в электротехнике.

Напряжение подается после короткого замыкания нитей накаливания. Выпрямленное напряжение становится больше вдвое, чего вполне хватает для запуска лампы (эту функцию по идее и выполняет дроссель). Конденсаторы С1 и С2 (на схеме) необходимо подобрать для 600 В, а С3 и С4 – с номинальным напряжением в 1 000 В. По прошествии некоторого времени пары ртути, конечно, осядут в области одного из электродов, и свет от лампы станет намного менее ярким. Избавиться от этого можно будет, всего лишь изменив полярность, т. е. просто развернув реанимированную перегоревшую ЛЛ.
Бесстартерное включение
Существуют осветительные приборы, которые предусмотрены исключительно для работы без стартера. На таких лампах имеется маркировка RS. Если такую трубку установить в светильник, оборудованный прерывателем, лампа очень быстро сгорает. Происходит это по причине необходимости большего времени на разогрев спиралей таких люминесцентных трубок. Долговечность стартера небольшая, он часто перегорает, а потому имеет смысл рассмотреть возможность того, как включить люминесцентную лампу без него. Для этого понадобится установка вторичных трансформаторных обмоток. Если запомнить эту информацию, то уже не возникнет вопроса, как зажечь люминесцентный светильник, если произошло перегорание стартера (схема соединения ниже).
Таким образом без лишних затрат можно даже своими руками собрать люминесцентный светильник.

Порядок подключения
Все необходимые коннекторы и провода обычно идут в комплекте с электронным балластом. Со схемой подключения вы можете ознакомиться на представленном изображении. Также подходящие схемы приводятся в инструкциях к балластам и непосредственно осветительным приборам.
В такой схеме лампа включается в 3 основные стадии, а именно:
- электроды прогреваются, благодаря чему обеспечивается более бережный и плавный пуск и сохраняется ресурс прибора;
- происходит создание мощного импульса, требующегося для поджига;
- значение рабочего напряжение стабилизируется, после чего напряжение подается на светильник.
Современные схемы подсоединения ламп исключают необходимость применения стартера. Благодаря этому риск перегорания балласта в случае запуска без установленной лампы исключается.
Принцип действия лампы дневного света
Принципиальное отличие ЛДС от лампы накаливания в том, что преобразование электроэнергии в свет происходит благодаря протеканию тока через пары ртути, смешанные с инертным газом в колбе. Ток начинает протекать после пробоя газа высоким напряжением, приложенным к электродам лампы.

- Дроссель.
- Колба лампы.
- Люминесцентный слой.
- Контакты стартера.
- Электроды стартера.
- Корпус стартера.
- Биметаллическая пластина.
- Газ.
- Нити накала лампы.
- Ультрафиолетовое излучение.
- Ток разряда.
Образующееся ультрафиолетовое излучение лежит в невидимой для человеческого глаза части спектра. Для его преобразования в видимый световой поток стенки колбы покрывают специальным слоем, люминофором. Меняя состав этого слоя можно получать разные световые оттенки.
Перед непосредственным запуском ЛДС электроды на её концах разогреваются прохождением через них тока или же за счёт энергии тлеющего разряда.
Высокое напряжения пробоя обеспечивает ПРА, который может быть собран по известной традиционной схеме или же иметь более сложную конструкцию.
Разновидности устройств
Люминесцентные лампы выпускаются в разнообразных формах. Они подразделяются на:
- трубчатые;
- кольцевые;
- U-образные;
- ультрафиолетовые;
- компактные.

Трубчатые лампы имеют форму, схожую с прямой трубкой. Распознать эти изделия довольно легко по трубчатой форме цоколя. Размеры люминесцентных ламп маркируются буквой «Т» и цифрой, которая обозначает диаметр, равный 1/8 части дюйма.
Так, диаметр люминесцентной лампы Т4 будет составлять 13 мм (25,4*4:8). Если необходимо приобрести лампочку диаметром 26 мм, то подойдет изделие с маркировкой Т8.
Кольцевые люминесцентные источники света отличаются цоколем, который состоит из четырех штырей. В зависимости от диаметра колец лампы бывают трех размеров.
U-образные лампы представляют собой устройства, которые обладают небольшой длиной, а цоколи располагаются только с одной стороны.
Ультрафиолетовые изделия являются альтернативным решением лампам накаливания. Основная сфера применения — в биологических и фотохимических облучателях.
Основное отличие компактных люминесцентных ламп — небольшой размер. В некоторых случаях эти источники света при продаже обозначаются буквами «ККЛ». Благодаря минимальной температуре нагрева данный вид ламп применяется в люстрах и светильниках.
Электронный балласт
Принцип функционирования осветительного прибора с электронным балластом заключается в прохождении электрического тока через выпрямитель, с последующим поступлением в буферную зону конденсатора.
В электронном балласте, наряду с классическими пусковыми регулирующими устройствами, осуществление старта и стабилизации происходит посредством дросселя. Питание зависит от высокочастотного тока.

Электронный балласт
Естественное усложнение схемы сопровождается целым рядом преимуществ по сравнению с низкочастотным вариантом:
- повышение показателей эффективности;
- устранение эффекта мерцания;
- снижение веса и габаритов;
- отсутствие шумности в процессе работы;
- повышение надежности;
- продолжительный эксплуатационный срок.
В любом случае следует учитывать тот факт, что электронные балласты относятся к категории импульсных устройств, поэтому их включение без достаточной нагрузки является основной причиной выхода из строя.





































