Датчики и преобразователи
Датчики – это элементы систем автоматизации вентиляции, служащие для получения информации о реальном состоянии регулируемого объекта. С их помощью осуществляется обратная связь системы регулирования с объектом по следующим параметрам: температуре, давлению, влажности и т.д.
Для того, чтобы информация с датчика передавалась системе в виде цифрового кода каждый датчик снабжается преобразователем.
Оптимальные места установки датчиков указываются в прилагаемых к ним инструкциях.
Датчики температуры могут быть для внутреннего и наружного применения; накладными на трубопровод (для контроля температуры поверхности трубопровода) или канальными (для измерения температуры воздуха в воздуховоде). Внутри помещений датчики температуры устанавливаются в нейтральных, относительно источников тепла или холода местах, снаружи здания в местах где датчик будет защищен от ветра или прямого попадания солнечных лучей.
Датчики влажности представляют собой блок с электронным прибором, измеряющим относительную влажность, и преобразующий данные в электронный сигнал. Бывают наружного и внутреннего исполнения. Устанавливаются в местах со стабильными условиями влажности, не допускается установка их вблизи радиаторов отопления, блоков кондиционеров, у источников влаги.
Датчики давления подразделяются на реле давления (механическое измерение перепада давлений и электрическое преобразование) и аналоговые датчики давления (преобразование давления сразу в электрический сигнал, например, с помощью пьезо-элементов). И те, и другие применяются для измерения давление как в одной точке, так и разность давлений в двух точках.
И внешние и внутренние датчики желательно устанавливать по два и более, например, с северной и с южной стороны здания. В современных системах, все внешние климатические датчики объединяют в единую метеостанцию.
Датчики потока измеряют скорость движения жидкости или газа в трубопроводе или воздуховоде. Расход жидкости вычисляется по формуле внутри процессорного блока исходя из разности давлений и других параметров (температуры, сечения трубопровода, плотности).
Шкаф автоматики вентиляции MR-EL OM E-S
Основные характеристики:
- Интеллектуальный алгоритм
- Нагрев электрокалорифером
- Коммутация симистором
- Охлаждение водой или фреоном (ККБ)
- Управление пластинчатым рекуператором без байпаса
- Внешний или встроенный регулятор скорости
- ДУ с пульта, смартфона, по Modbus
- Класс защиты IP 41
- Габариты (ШхВхГ) 350х385х102 мм
- Гарантия 3 года
Применение шкафа автоматики MR-EL-OM E-S
Шкаф управления MR-EL OM E-S предназначен для работы с системами вентиляцией приточного и/или приточно-вытяжного типа с электрическим нагревателем (плавное управление) и водяным или фреоновым охладителем, с поддержкой рекуперации. Управление скоростью вентилятора со встроенного или внешнего регулятора.
Архитектура
Автоматизированная система управления вентиляцией (АСУВ) представлена тремя иерархическими уровнями.
В состав первого (нижнего) уровня входят датчики сигналов и исполнительные устройства.
Второй (средний) уровень состоит из контроллеров С2000-Т производства компании БОЛИД.
Контроллеры обеспечивают выполнение функций контроля, регулирования и управления инженерным оборудованием в объеме, достаточном для поддержания работы всех трех видов вентиляционных систем (приточная, вытяжная, приточно-вытяжная) в соотношении «одна система – один контроллер». Для вытяжной вентиляции реализовано подключение двух вентиляционных установок к контроллеру. Все алгоритмы готовы и требуют только настройки.
Перечень параметров контроллера С2000-Т
| № п/п | Наименование параметра | Тип сигнала | Приточная вентиляция | Вытяжная вентиляция | Приточно-вытяжная вентиляция |
|---|---|---|---|---|---|
| 1 | Температура наружного воздуха | AI | + | – | + |
| 2 | Температура помещения | AI | – | – | + |
| 3 | Температура приточного воздуха | AI | + | – | + |
| 4 | Температура обратной воды | AI | + | – | + |
| 5 | Защита водяного теплообменника | DI | + | – | + |
| 6 | Фильтр загрязнен | DI | + | – | + |
| 7 | Обрыв ремня приточного вентилятора | DI | + | – | + |
| 8 | Обрыв ремня вытяжного вентилятора | DI | – | – | + |
| 9 | Состояние системы (дежурный/активный режим) | DI | + (2 шт.) | – | – |
| 10 | Сигнал от контакта аварийного выключателя вентилятора | DI | – | + (2 шт.) | – |
| 11 | Состояние ручного переключателя режима работы вентилятора (пуск/авто) | DI | – | + (4 шт.) | – |
| 12 | Управление вытяжным вентилятором (старт/стоп) | DO | – | + (2 шт.) | + |
| 13 | Выход индикации аварийного режима | DO | – | + (2 шт.) | + |
| 14 | Управление приточным вентилятором (старт/стоп) | DO | + | – | + |
| 15 | Управление приводом жалюзи (откр/закр) | DO | + | – | + (2 шт.) |
| 16 | Управление циркуляционным насосом (вкл/выкл) | DO | + | – | + |
| 17 | Управление клапаном водяного нагревателя | AO | + | – | + |
| 18 | Управление клапаном водяного охладителя | AO | + | – | – |
| 19 | Управление роторным рекуператором | AO | – | – | + |
Примечание: |
Третий (верхний) уровень включает в себя автоматизированное рабочее место (АРМ) оператора на базе SCADA КРУГ-2000, совмещенное по функциям с архивным сервером.
Аналоговые и дискретные сигналы с датчиков и исполнительных устройств приточной, вытяжной и приточно-вытяжной вентиляции поступают на контроллеры, проходят первичную обработку и далее по цифровому интерфейсу RS485 (протокол Modbus) передаются на АРМ оператора с целью их дальнейшей обработки, отображения и хранения. С АРМ оператора осуществляется также дистанционное управление исполнительными устройствами вентиляционных систем.
Особенности
Контроллер С2000-Т (производитель – компания БОЛИД):
- специализируется на выполнении задач контроля, регулирования и управления, в том числе в составе систем автоматизации и диспетчеризации инженерного оборудования зданий
- имеет бортовые входы/выходы (6 дискретных входов, 6 дискретных выходов, 6 аналоговых входов, 2 аналоговых выхода) для подключения датчиков сигналов и выдачи управляющих воздействий на исполнительные устройства, что не требует приобретения дополнительного оборудования, например модулей ввода/вывода физических сигналов
- поддерживает обмен по стандартному программному протоколу Modbus
- обеспечивает легкое и удобное конфигурирование программного обеспечения
- производство в России.
SCADA КРУГ-2000 (НПФ «КРУГ») – универсальный программный продукт, предназначенный для создания систем автоматизации технологических объектов во многих отраслях промышленности, и обладающий следующими особенностями:
- надежность SCADA подтверждена многочисленными внедрениями во многих отраслях промышленности, в том числе на особо опасных производствах энергетики, нефтяной и газовой промышленности
- наличие готовых проектов и шаблонов для реализации систем вентиляции, а также полномасштабной АСУ зданиями и сооружениями
- модульность построения и масштабирование позволяют поэтапно наращивать и расширять систему до полномасштабной системы управления жизнеобеспечением здания
- открытость и поддержка международных стандартов, спецификаций и протоколов обмена позволяют осуществлять интеграцию с большинством приборов сторонних производителей.
- мощные и в то же время интуитивно понятные средства среды разработки пользовательских проектов позволяют заказчику проводить изменения в системах своими силами, без привлечения подрядных организаций
- SCADA КРУГ-2000 включена в Единый реестр российских программ, является 100% импортозамещающим продуктом
Контроллеры Сименс: запрограммированные приложения
Как уже отмечалось, программная среда контроллеров Сименс содержит обширный набор готовых приложений под разную конфигурацию систем. Это самый простой способ установки и наладки оборудования для конечного пользователя.
На каждое приложение имеется техническое описание в сопроводительной документации. Для бытовых целей подходят приложения Сименс типа «A01…», для промышленных нужд обычно выбирается тип «U01…».
Выбирается любое приложение из ассортимента следующим образом:
- Активировать уровень PASS
- Активировать опцию меню APP ID
- Выбрать приложение из списка
- Подтвердить клавишей «ОК».
После активации выбранного приложения пользователю необходимо провести работу с подключением всех линий системы ОВК на клеммы контроллера Сименс.
Затем активируют режим «TEST», при помощи которого автоматически выполняется проверка корректности выполненных соединений под управление отдельным функционалом. Эту функцию необходимо применять обязательно. Так гарантируется безошибочная работа системы ОВК в дальнейшем под управлением контроллера Сименс.
Видео обзор на контроллеры Siemens серии RLU
Ниже на видео демонстрируется практика пользования индустриальным ПЛК немецкого производства, эксплуатируемого в составе промышленной системы кондиционирования воздуха. Приводится пример работы для обычного пользователя:
В целом, рассмотренный аппарат предполагает куда более широкое техническое обслуживание, вплоть до перепрограммирования под конкретные нужды.
Задачи автоматики для вентиляции зданий

Сервопривод куплен наа Aliexpress за 2 usdИсточник youtube.com
Сегодня на любом современном предприятии есть множество приборов и узлов для управления приточной вентиляцией и набор их функций порой не просто помогает, но даже может спасать здоровье и человеческие жизни. ПУ модуля ШУПВВ или ЩУВ оснащаются элементами электронного интеллекта для следующих действий:
- постоянное поддержание микроклимата помещения в заданном режиме (температура, влажность, загазованность);
- возможность дистанционного управления тем или иным блоком (запуск/блокировка, смена режима) удаленно (оператором при помощи ПУ);
- автоматически переход оборудования на другой режим при смене сезона (зима – лето);
- контроль всех фильтров на уровень загрязнение и автоматическая подача сигнала о необходимости их очистки/замены;
- автоматическое управление приточной вентиляцией при помощи заслонок;
- блокировка притока воздуха при срабатывании пожарных датчиков безопасности;
- отключение электропитания при возникновении скачков напряжения.
Автоматизация систем вентиляции и кондиционирования.
Разновидности ЩУВ и ШУПВВ

Сборка щитов должна обеспечивать полную видимость каждого прибора и максимально быстрый доступИсточник oboiman.ru
Современный рынок электрооборудования предлагает широкий выбор самых разных ЩУВ и ШУПВВ, классифицируя их по размерам и по категориям. Все модификации можно разделить, как минимум, на четыре пункта:
- Оборудование для проветривания и удаления задымленности в помещениях. Такой климат-контроль нужен на производстве, например, для обустройства рабочего места сварщика или в кузне.
- ЩУ, контролирующие запуск, остановку и частоту вращения (мощность) систем вентиляции. Как правило, устройства такого типа имеют обширный функционал и могут устанавливаться как в подвесных, так и напольных шкафах управления. Возможна работа с фреонными установками, водяными калориферами и управление приточной вентиляцией.
- ЩУ электроснабжением приточно-вытяжной вентиляции. Сюда включается рекуператор для поддержания заданной температуры входящих и выходящих газовых потоков. Существуют также модификации, на основе гликоля (CₙH₂ₙ(OH)₂), где в системе теплоснабжения применяется циркуляция незамерзающих жидкостей типа антифриза. Сюда также входит циркуляционный насос и автоблокировка от неконтролируемых температурных перепадов.
- Модель с использованием обычного рекуператора рассматривается, как ЩУ приточной вентиляцией. Его легко перевести в любой режим. Сам рекуператор здесь выполнен в виде оцинкованного стального куба (квадратного или прямоугольного) с четырьмя патрубками – по два с каждой стороны. К ним подсоединяются металлические или пластиковые воздуховоды.
Рекомендации по сборке ЩУВ и ШУПВВ

Монтажом и тестированием ЩУВ должны заниматься специалистыИсточник ivctl.ru
В любом случае все работы по сборке и установке ЩУВ и ШУПВВ должны производится квалифицированными специалистами с соблюдением ТУ 3431-001-67762877-2013 и ТУ 4371-001-67762877-2016. Самостоятельный монтаж и сборка устройств управления категорически запрещена. Корпусы щитов или шкафов тоже нельзя изготавливать по собственному усмотрению – их заказывают в соответствии с предполагаемым оборудованием. В тех случаях, когда не хватает каких-то проводов, креплений или тумблеров (такое часто случается) их замена должна в точности соответствовать заданным техническим характеристикам.

Комплект элементов ЩУВ сопровождается схемойИсточник oboiman.ru
К комплектации всех ЩУВ и ШУПВВ заводом-изготовителем всегда прилагается монтажная схема, которой будет руководствоваться специалист при сборке. Но её сохраняют на предприятии на случай необходимости проведения каких-либо ремонтных работ.
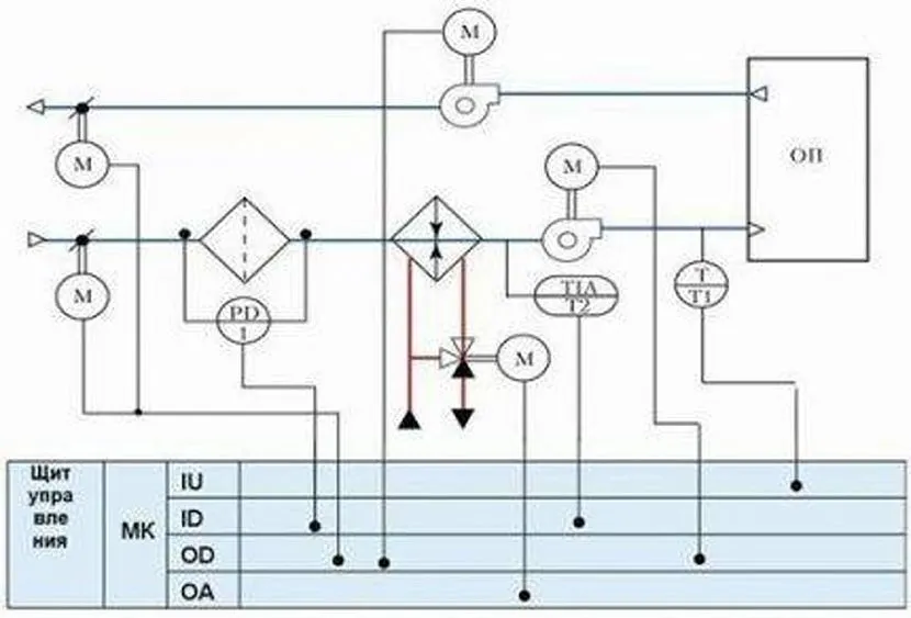
Щит автоматики поддержание постоянного расхода воздуха.
Функции
- Сбор и обработка оперативной информации с датчиков и исполнительных устройств об измеряемых режимах и параметрах работы инженерного оборудования
- Отображение оперативной информации в виде мнемосхем, трендов на мониторах АРМ с разграничением прав доступа пользователей
- Регистрация событий системы
- Извещение о возникновении нарушений (технологическая сигнализация)
- Управление вентиляционными установками (автоматическое и ручное дистанционное)
- Поддержание заданной температуры воздуха по канальному датчику при помощи встроенного ПИД-регулятора
- Каскадное регулирование по комнатному датчику температуры
- Предварительный подогрев водяного нагревателя вентиляционной системы
- Контроль режимов работы вентиляционных установок
- Контроль загрязненности воздушного фильтра вентиляционной установки
- Работа в автоматическом режиме по расписанию
- Диагностика достоверности принимаемой информации
- Архивирование истории параметров.
Проектирование системы автоматизации вентиляции и кондиционирования
Система автоматизации вентиляции и кондиционирования является одним из наиболее сложных проектов инженерных систем здания.
Это связано с большим количеством точек контроля и исполнительных устройств в системе и учетом нескольких режимов работы системы, включая зимний и летний. Предусматривают:
- Автоматическое управление производительностью установок систем вентиляции;
- Сблокированную работу двигателей приточно-вытяжных вентиляторов и заслонок на воздухозаборе;
- Автоматическую регулировку температуры подающего воздуха;
- Автоматическое отключение систем при аварийных ситуациях;
- Защиту калориферов от замораживания;
- Разные режимы пуска в зависимости от сезона;
- Контроль параметров внешней и внутренней среды, и параметров техпроцесса- температур, перепадов давления, влажности и т.п.
Проект разрабатывается по заданию технологов – специалистов, разработчиков проекта вентиляции и кондиционирования. В стандартный комплект чертежей включают:
- Общие данные;
- Структурные схемы, при необходимости;
- Задание на программирование системы;
- Функциональные схемы автоматизации для каждой из подсистем – по ним будут собираться щиты автоматизации;
- Схемы связи контроллеров системы автоматизации;
- Схемы внешних соединений для щитов автоматизации (фактически это таблица соединений);
- Схемы связи со смежными системами автоматизации;
- Принципиальные электрические схемы щитов автоматизации, двигателей насосов или вентиляторов;
- Принципиальные схемы питания щитов автоматизации;
- План расположения оборудования и проводок систем автоматизации;
- Кабельные журналы;
- Монтажные схемы;
- Спецификация оборудования и проводок.
Настройка и управление
Только что установленные вентиляционные системы обязательно нужно грамотно настроить. Разумеется, правильное распределение воздушных потоков должно учитываться еще на стадии разработки проекта, когда осуществляется ряд требуемых инженерных расчетов
Однако, в данном случае важно учесть, что:
- при проектировании чаще применяются сечения воздуховодов стандартного типа, а сам воздух по ним может ходить с различной скоростью;
- львиная доля схем имеет определенные участки, где есть возможность верно распределить воздух лишь ручным способом.

Учитывая данные особенности, можно сделать вывод, что наладку вентиляционной системы с автоматикой также лучше доверить специалистам. Порядок проведения этих работ таков:
- сначала с применением анемометра определяют и вычисляют среднюю скорость прохождения воздуха через решетку вентиляции;
- затем, применяя величину живого сечения решетки, рассчитывают объем воздуха, опираясь на специальную формулу;
- при помощи регулирующего клапана объем воздуха, поступающего на решетку, уменьшается либо увеличивается;
- клапан воздушного расхода встраивают как в воздушный отвод, так и в решетку;
- изменив угол заслонки регулирующего клапана, вновь проводят все требуемые замеры скорости воздушных масс на решетках;
- все выявленные параметры сверяются с проектом, и в случае расхождений система настраивается дальше.

Главными управляющими возможностями грамотно установленной вентиляционной системы с автоматикой являются:
- последовательный пуск;
- последовательная остановка;
- резервирование и дополнение.

Управление вентиляцией при пожаре
При проектировании систем автоматики вентиляции, учитывают их работу в случае пожара.
Согласно СП 60.13330.2012, для зданий и помещений, оборудованных автоматическими установками пожаротушения или автоматической пожарной сигнализацией, следует предусматривать автоматическое действия электроприемников систем вентиляции:
- Отключение при пожаре в помещении или в системе вентиляции, которое может производиться централизованно, прекращая подачу электропитания и обеспечивая закрытие противопожарных клапанов на распределительные щиты систем вентиляции, или индивидуально для каждой системы с целью предотвращения распространения огня по воздуховодам и остановки притока кислорода к пламени;
- Включения систем противодымной вентиляции на путях эвакуации и в зонах безопасности, или противодымной вентиляции в помещении, где произошел пожар, в зависимости от проектных решений;
- Включения систем для удаления газа и дыма после пожара.
Рекомендации по сборке ЩУВ и ШУПВВ

Монтажом и тестированием ЩУВ должны заниматься специалистыИсточник ivctl.ru
В любом случае все работы по сборке и установке ЩУВ и ШУПВВ должны производится квалифицированными специалистами с соблюдением ТУ 3431-001-67762877-2013 и ТУ 4371-001-67762877-2016. Самостоятельный монтаж и сборка устройств управления категорически запрещена. Корпусы щитов или шкафов тоже нельзя изготавливать по собственному усмотрению – их заказывают в соответствии с предполагаемым оборудованием. В тех случаях, когда не хватает каких-то проводов, креплений или тумблеров (такое часто случается) их замена должна в точности соответствовать заданным техническим характеристикам.

Комплект элементов ЩУВ сопровождается схемойИсточник oboiman.ru
К комплектации всех ЩУВ и ШУПВВ заводом-изготовителем всегда прилагается монтажная схема, которой будет руководствоваться специалист при сборке. Но её сохраняют на предприятии на случай необходимости проведения каких-либо ремонтных работ.
Щит автоматики поддержание постоянного расхода воздуха.
Щиты автоматизации
Работа автоматизированной системы, ее удобство, надежность и безопасность эксплуатации напрямую зависят от алгоритмов управления процессом (специалистов, выполнивших проектирование и наладку), а также от возможностей комплектующих изделий. Алгоритмы реализуются на программном уровне и «зашиваются» в свободно программируемые контроллеры, установленные в щитах автоматизации.
При подключении датчиков к щиту автоматизации учитывают тип сигнала, передаваемого преобразователем (аналоговый, дискретный или пороговый). Аналогично выбираются и модули расширения, управляющие приводами устройств.
Щиты вентсистем бывают силовые, управляющие или совмещенные, если система небольшая. Щиты автоматики для вентиляции обеспечивают:
- Включение и выключение системы вентиляции;
- Индикацию состояния оборудования;
- Защиту от неправильного подключения питающего напряжения и короткого замыкания;
- Управление производительностью вентиляционной установки;
- Индикацию состояния воздушных фильтров;
- Защиту от перегрева электродвигателей;
- Защиту калорифера от замерзания;
- Поддержку и контроль температуры воздуха на входе вентиляционной установки и в помещении;
- Возможность применения временных ручных алгоритмов управления.
Преимущества
- Создание полноценной системы диспетчерского контроля и управления с возможностью непрерывного слежения за работой вентиляционной системы
- Своевременное предоставление оперативному персоналу качественной информации о ходе технологического процесса, состоянии инженерного оборудования и технических средств управления
- Снижение вероятности ошибочных действий оператора за счет своевременного представления информации в наглядном виде
- Повышение эксплуатационного ресурса вентиляционного оборудования за счет немедленного реагирования на сбои в системе
- Снижение расхода энергоресурсов за счет реализации функций автоматического регулирования и управления
- Возможность масштабирования и наращивания функционала системы, в том числе силами Заказчика
- Минимизация затрат на выполнение инжиниринговых работ Заказчиком, требуется только настройка проекта
- Долговременное хранение полученных данных
- Оптимальное соотношение «цена – качество» системы.
Автоматизация средствами Сименс
Контроллеры промышленного назначения линейки RLU2xx разрабатывались Сименс для управления вентиляцией, где дополнительно необходим контроль параметров:
- температурных,
- влажностных,
- перепадов давлений теплоносителя,
- скорости потока воздуха,
- воздушной среды помещений.
Промышленные контроллеры марки Сименс позволяют эффективно эксплуатировать систему вентиляции в одном из трёх режимов работы:
- Комфорт.
- Эконом.
- Защита.
С точки зрения функционала управления (наблюдения) за вентиляцией и отоплением, контроллеры RLU2xx производства фирмы Сименс допускают использование в качестве автоматических модулей, действующих в режимах P, PI, PID либо как дифференциальные контроллеры управления.
Средства автоматизации широкого назначения, в частности, контроллеры, выпускаемые известной немецкой компанией Сименс, пользуются высоким уровнем популярности. Применяются как для промышленных, так и для бытовых целей
Любой из режимов контроля вентиляции и отопления устанавливается благодаря функции универсального регулятора, поддерживающего до двух последовательностей нагрева и двух последовательностей охлаждения воздуха.
Также контроллеры серии RLU2xx производства Сименс поддерживают конфигурацию каскадного контроллера температуры внутри помещений, получаемой за счёт отопления и приточной вентиляции.
Функциональность запрограммированных последовательностей контроллеров управления Siemens обширна, что делает возможным разнообразить конфигурацию управления системами вентиляции и внутреннего отопления.
Линейка моделей контроллеров RLU2xx включает в себя пять разработок электронных приборов Сименс с разным числом входов/выходов:
| Контроллер Сименс | Вход универсальный | Вход дискретный | Выход аналоговый | Выход дискретный | Управляемый контур |
| RLU202 | 4 | 1 | 2 | 1 | |
| RLU220 | 4 | 1 | 2 | 1 | |
| RLU222 | 4 | 1 | 2 | 2 | 2 |
| RLU232 | 5 | 2 | 3 | 2 | 2 |
| RLU236 | 5 | 2 | 3 | 6 | 2 |
Контроллеры Сименс: конструкционное исполнение (техническое, механическое)
Электроника серии RLU наделена уже готовыми программными приложениями (общий набор — несколько десятков), из которых пользователь может выбрать наиболее подходящее и активировать для применения с модулями отопления и вентиляции.
Внешнее исполнение контроллера от Сименс, предназначенного под управление системами ОВК. В зависимости от модели устройства Сименс, габаритные размеры могут отличаться, как и функциональность аппаратов
При этом автоматически включается вся необходимая функциональность контроллера Сименс, устанавливаются оптимальные рабочие параметры для избранной конфигурации управления вентиляцией и отоплением.
Активация, изменение параметров, свободная конфигурация – все эти действия программирования выполняются пользователем через панель управления.
Механически контроллер промышленного применения Сименс серии RLUxxx представлен в виде небольшого компактного электронного модуля. Прибор имеет:
- пластиковый корпус,
- функциональную часть (электронная плата),
- двухуровневый интерфейс клемм,
- элементы управления (кнопки, дисплей).
Требуемое напряжение питания контроллера Siemens RLU220 и других модификаций – 24 вольта переменного тока. К стандартной электрической сети такие приборы, как правило, подключаются через понижающий трансформатор.
Контактные клеммы контроллера Сименс, оснащённые простым механизмом захвата электрических проводников. Достаточно вставить лезвие отвёртки в отверстие под клеммой, чтобы лёгким нажимом раскрыть клемму
Двухуровневый интерфейс клемм контроллера исполнения Siemens содержит пружинные контакторы, каждый из которых предназначен для подключения одного многожильного (одножильного) проводника.
Контакторы клемм на устройстве Сименс открываются при помощи шлицевой отвёртки 1 размера, путём вставки жала отвёртки в отверстие под клеммой с последующим лёгким нажимом.
Алгоритмы
Программы для контроллеров Wiren Board пишутся на языке wb-rules, процесс создания алгоритмов и сами алгоритмы подробно описаны в статье Управление вентиляцией. Типовые алгоритмы и их реализация на wb-rules.
Взаимодействие с пользователем может быть реализовано с помощью встроенного веб-интерфейса контроллера Wiren Board. В веб-интерфейсе конфигурируются подключаемые устройства, пишутся скрипты управления и создаются графические панели управления. Все действия подробно описаны в документации и не требуют специальной подготовки пользователей.
Если функций веб-интерфейса недостаточно, например, нужно сделать голосовое управление, то всегда можно интегрировать сторонние системы, такие как Алиса от Яндекс или Салют от Сбер.
Кроме того всегда можно использовать SCADA системы, например, Grafana, Home Assistant, MasterSCADA и др. Их использование с контроллером Wiren Board также описано в документации.
Основные задачи автоматики для вентиляции
Поскольку на современном рынке представлено большое количество всевозможных технических устройств для автоматизации вентиляции, набор их функций также чрезвычайно широк.
Основные функции модуля управления, оснащенного элементами электронного интеллекта:
- Поддержание заданных параметров микроклимата внутренних помещений — температуры и влажности воздуха, насыщенности углекислым газом и т.д.
- Возможность для оператора удаленного управления вентиляторами, дистанционного их включения и отключения.
- Осуществление автоматизированного контроля над датчиками работы всех узлов и агрегатов вентиляционного оборудования.
- Самостоятельный перевод оборудования в летний или зимний режим.
- Контроль над уровнем загрязнения фильтрующих устройств с функцией подачи сигнала о необходимости прочистки.
- Открывание и закрывание заслонок воздуховодов, регулировка производительности приточных и вытяжных вентиляторов.
- Прекращение подачи свежего воздуха при срабатывании пожарной сигнализации.
- Отключение электропитания при аварийных ситуациях — резких скачках или понижении напряжения. Это позволяет предотвратить выход из строя приборов, датчиков и отдельных узлов вентиляционной системы.
Дополнительные функции
Современные производители для максимально полного удовлетворения запросов покупателей, уделяют особое внимание не только надежности выпускаемого оборудования. Немаловажным фактором в конкурентной борьбе за потребителя является оснащение продукции как можно большим дополнительным функционалом. Сегодня стали доступны такие высокоинтеллектуальные функции, как:
Сегодня стали доступны такие высокоинтеллектуальные функции, как:
- Подключение вентиляции к единому электронному диспетчеру управления «умный дом».
- Управление настройками через интернет-приложения, при помощи Wi-Fi и блютуз.
Оснащенная современным функционалом автоматическая аппаратура становится понятной и простой в управлении, подобно прочей бытовой технике.
Ключевые функции оборудования
Щиты автоматики для вентиляции предназначены для комплексного автоматического управления вентиляционными установками. Они поддерживают заданные параметры процессов, а также позволяют решать посредством стандартных и дополнительных опций следующие задачи:
- Управляют различными типами установок, в том числе приточными, вытяжными и комбинированными.
- Обеспечивают контроль и управление работой компонентов сети в соответствии с выбранным алгоритмом.
- Поддерживают показатели температуры приточного воздуха с высокой точностью за счет использования PI- регулирования.
- Выполняют защитные функции, при сбоях и коротком замыкании питающей сети. Исключают перегрев электрического и размораживание водяного калорифера.
- Обеспечивают индикацию состояния работающего оборудования.
- Реализуют регулирующие функции. Щиты автоматики для вентиляции обеспечивают поддержание необходимых расходов воздуха, заданных температурных и влажностных
- параметров.
- Держат под контролем состояние (степень загрязненности) фильтрующих элементов.
- Обеспечивают каскадный контроль температуры по комнатному датчику, то есть компенсируют показатели приточного воздуха на уже установленные в помещении.
- Регулируют скорость вращения приборов ручным или автоспособом по требуемым показателям (от суток до нескольких месяцев).
- Управляют блоками рециркуляции и любыми типами рекуператоров, в том числе и авторазмораживанием.
- Контролируют мощные многоступенчатые электронагреватели.
- Активируют автозащиту водяного калорифера от замерзания в любом режиме, даже в «стоповом».
- Управляют противопожарными системами здания.
- Поддерживают стандартные протоколы коммуникации, что позволяет встраивать щит в систему диспетчеризации.
- Выполняют работу дистанционно посредством выносных пультов.
- Обеспечивают контроль установки посредством встроенного web-сервера через Wi-Fi или Internet.





































