Домашний генератор — как правильно подключить
Существует две основных схемы подключения генератора к дому. Оба способа предназначены для самостоятельной установки без вызова мастера. Какой метод проще, легче и подходит типу генератора – решать вам:
- Метод с перекидным рубильником;
- Через автоматическое управление.
Подключение с перекидным рубильником
Тут применимы два вида рубильников: либо перекидной, либо реверсивный (с 3 ходами-положениями). Они попросту переключают домашнюю сеть к разным источникам питания. К обоим подключаются 3 ветки:
- первая — от основной электросети к генератору,
- вторая — от дома к генератору,
- третья — от генератора к приборам.
Для корректного учета потребляемой дома электроэнергии очень полезно знать, как подключить электросчетчик. Необходимо лишь придерживаться общей схемы установки и учитывать разные параметры устройства при его выборе.
Принцип работы электрического генератора заключается в том, что он будет в действии при выключенной (обесточенной) основной сети. Если же подача тока от общей электросети в норме, то генератор не может функционировать. То есть активно что-то одно или отключены оба источника электричества.
Для подключения генератора в частном доме лучше использовать кабеля с медной проволокой внутри. Как правило, выглядит это как шнур с двумя штепселями по краям.
Схема крепления контактов:
- верхние контакты – крепится кабель от основной сети;
- контакты посередине – частная цепь дома;
- нижние контакты – предназначены для электростанции (заземление).
Важно соединить всю цепь, а потом запускать генератор!
Как запустить генератор в работу:
- необходимо пару минут прогреть генератор;
- повернуть рубильник на щитке вниз.
Подключение генератора с автоматическим запуском
Существуют станции, которые оснащаются автоматическим обслуживанием. Автоматический блок подсоединен к генератору и к сети питания. Когда в доме отключается свет, система генератора автоматически включается в работу, заменяя основной источник питания. Когда возобновляется подача электроэнергии, станция также самостоятельно отключается.
Такой блок можно приобрести отдельно в магазинах электротоваров.
Принцип подключения АВР:
- систему АВР подсоединяется к электросети;
- АВР и генератор соединяет кабель управления;
- от нее выходит кабель, который крепится к контактам генератора и уже от него проводит электроэнергию в дом.
Важно! Любые работы по присоединению генераторов нужно проводить, когда дом, квартира обесточены вами лично! Это гарантирует, что вы не будете случайно поражены электрическим разрядом.
Способы подключения генератора
Соответствующие устройства выпускаются в двух исполнениях – перекидной рубильник (старого образца) или реверсивный переключатель (трехходовой). Первый вариант с точки зрения ТБ хуже, так как такая модель нередко искрит, а все токоведущие части оголены. Поэтому обязательно понадобится защитный кожух (короб, ящик или что-то подобное), да и установка рубильника в доме возможна, наверное, лишь в подсобке. Вряд ли он украсит жилое помещение.
А вот переключатель и компактнее, и безопаснее. Его можно закрепить на DIN-рейке и поместить в силовом шкафу, рядом с АВ и УЗО.
Плюс – низкая стоимость изделий и минимум присоединений.
Минус – такое подключение оправдано лишь в случае, если в доме постоянно кто-то находится. Рубильник – это устройство с ручным управлением. Знакомая многим ситуация – все ушли по делам (на работу, учебу), а энергетики отключили свет. Результат – лужи под холодильником, выключенный котел и остывшие батареи. Перечислять можно долго.
Что учесть – данные устройства всегда включаются в сеть до вводных автоматов, но после эл/счетчика.
Автоматический
Целесообразность именно такого подключения генератора к сети дома пояснений не требует. Схема несколько инертна, но это не критично.
Как она работает?
Система автозапуска (АВР) постоянно, как сейчас модно говорить, «мониторит» наличие напряжения. При его пропадании контактная группа, присоединенная к сети, размыкается. Одновременно включается стартер генератора и производится автозапуск двигателя.
После его выхода на режим АВР замыкает цепь «резервный источник – домовая сеть». При восстановлении пром/напряжения все происходит в обратном порядке, причем без вмешательства хозяина, автоматически. Для частного дома – оптимальное решение организации эн/снабжения.
Объяснять, какой провод, к каким контактам присоединять автор считает бессмысленным. В продаже имеется несколько моделей АВР, которые отличаются не только характеристиками, но и конструктивным исполнением. К каждому изделию, как впрочем, и к любому другому эл/прибору, прилагается инструкция со схемой. Вот ей и следует руководствоваться.
Несколько замечаний
В некоторых случаях генератор к сети дома можно и не подключать, ситуации разные бывают. Для того чтобы подать эл/энергию к отдельным приборам, к соответствующим выводам агрегата напрямую присоединяется кабель (провод), на другом конце которого находится клеммная коробка с гнездами.
Такие переноски многие делают самостоятельно. Но это возможно лишь в случае, если генератор маломощный. При форс-мажоре запитать холодильник и обеспечить минимальное освещение в отдельных комнатах, с помощью переносных приборов (например, настольных ламп, торшеров) получится.
Стоит напомнить и о необходимости заземления генератора. Вот типовая (и простейшая) схема.
Что понадобится? Арматурный пруток (минимум на 15 мм) длиной метра 1,5 и медный провод. Они должны быть жестко скреплены. Никакие «накрутки» или «навивки» не допускаются. Например, приварить к стержню болт и затянуть провод гайкой.
Если в момент работы генератора восстановится пром/напряжение, необходимо сначала переключить устройство с ручным управлением, и только после этого «глушить» двигатель. Мелочь, но кое-кто забывает об этом.
Если в частном доме напряжение заведено трехфазное напряжение, то специалисты рекомендуют задействовать в схеме только одну. Естественно, придется несколько переоборудовать эл/проводку. При этом круг «потребителей» ограничивается, как правило, приборами освещения и несколькими бытовыми, которые должны функционировать постоянно (например, холодильная камера, обогреватель).
Рекомендовано для вас:
Мероприятия и виды обслуживания дизельных генераторов — перечень работ и советы Инструкция по организации резервного питания загородного дома — устройства и схема Устройство и принцип действия электрогенератора, советы по исправлению неполадок
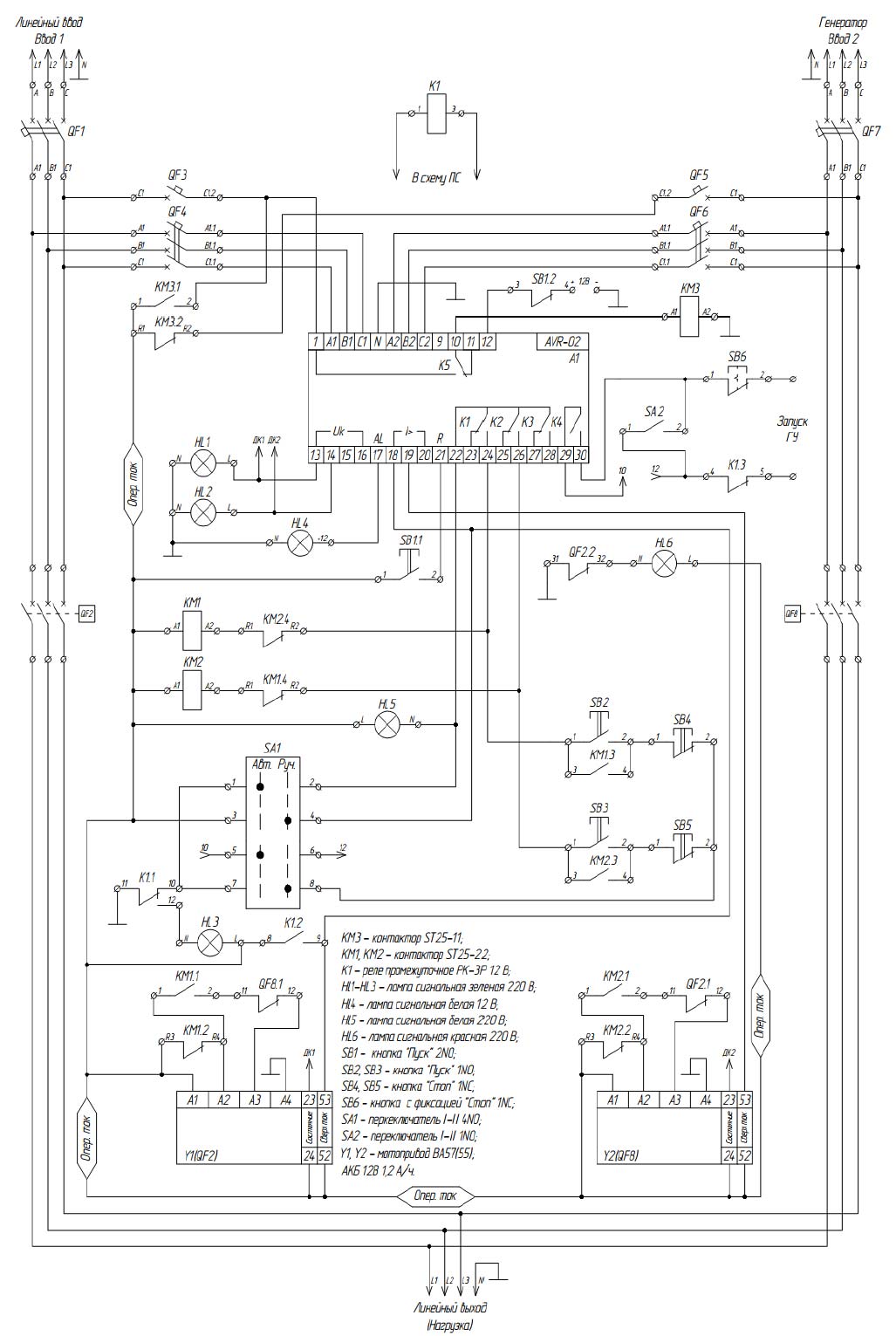
Ввод№1+генератор (резерв)
Ну и напоследок рассмотрим чаще всего применяемую схему АВР для частного дома – ввод№1+генератор.
Далеко не все имеют два независимых ввода, плюс еще и ДГУ. Зато наличие отдельно генератора у владельцев особняков, не такая уж и большая редкость.
Основное эл.снабжение осуществляется от первого ввода. Принцип работы здесь такой же как и рассмотренный выше.
При изменение параметров напряжения на выходе за его номинальные значения (резко упало или повысилось, исчезло), происходит смена источника оперативного напряжения. Контакт КМ3.1 размыкается, а контакт КМ3.2 замыкается.
Также размыкаются контакты 22 и 24. Пускатель QF2 выключается. Спустя три секунды AVR 02 дает сигнал на запуск генератора. После его прогрева, происходит замыкание контактов 22-26. Подается напряжение на катушку КМ2 и включается пускатель QF8.
Вся нагрузка переводится на генератор.
Опять же, спустя установленное время, происходит замыкание №22-№24, после чего включается КМ1 и QF2. Питание восстанавливается от основного ввода. При этом контакты 29-30 будут замкнуты пока генератор не охладится.
Время расхолаживания ДГУ лучше выставлять в районе 3-5 минут.
Устройство и принцип работы

Как известно, основное предназначение генераторного устройства заключается в преобразовании механической энергии в электрическую. Благодаря этому узел восстанавливает емкость аккумуляторной батареи, а также позволяет питать все электрооборудование в автомобиле. Генераторное устройство находится в передней части силового агрегата и приводится в движение коленвалом.
Подробнее об основных элементах и принципе действия:
- Роторный механизм. Этот элемент представляет собой вал с установленной обмоткой возбуждения. Обе половины данной обмотки находятся в противоположных полюсных половинах узла. Роторный механизм приводится в движение благодаря ременной передаче привода.
- Контактные кольца используются для запитки обмотки.
- Статорный механизм — состоит из обмотки и сердечника. Этот элемент предназначен для выработки тока переменного значения. Выработанный механизмом ток через кольца подается дальше по электроцепи.
- Для того, чтобы выработанный ток возбуждения успешно попал на кольца, используются щетки. Эти элементы, как показывает практика, зачастую выходят из строя по причине износа.
- Выпрямительный блок. Этот компонент предназначен для преобразования переменного напряжения. Конструктивно данное устройство состоит из пластин с установленными диодными элементами. В зависимости от распиновки агрегата, схема подключения автомобильного генераторного устройства может включать в себя отдельную пару диодов обмотки. В данном случае напряжение не сможет проходить через аккумуляторную батарею при заглушенном моторе.
- Реле регулятора. Этот элемент предназначен для поддержания определенного уровня напряжения в бортовой сети в нормированных пределах. Реле регулятора напрямую влияет на частоту, а также продолжительность сигналов тока. Непосредственно сам регулятор конструктивно включает в себя контроллеры, а также исполнительные компоненты. Их назначение заключается в определении времени, на протяжении которого обмотка должна быть подключена к сети. Если реле регулятора по каким-то причинам выходит из строя, пропадает стабилизация поступающего напряжения на аккумуляторную батарею.
- Корпус устройства, в котором расположены основные детали и компоненты агрегата. Сам корпус обычно выполнен из алюминия, поэтому его вес относительно небольшой. Корпус установки позволяет оперативно рассеять тепло, в результате чего температурный режим не доходит до критической отметки. Также корпус является немагнитным (автор видео о принципе действия устройства — Михаил Нестеров).
Отвод отработанных газов
При установке аппарата внутри дома необходимо предусмотреть отвод выхлопных газов. Для этого используют гофрированную трубу, выполненную из нержавеющей стали. Для экономичности гофрированную часть можно сочетать со стальной трубой.
Эта часть установки должна быть реализована особенно тщательно, так как ошибки или мелкие недоработки могут повлечь за собой печальные последствия.
Как видно, недостаточным является просто определиться, какой генератор лучше, и приобрести его. Необходимо осуществить грамотную установку и подключение. Только тогда можно быть уверенным в бесперебойной и безопасной работе электричества в доме.
Никогда не делайте этого в церкви! Если вы не уверены относительно того, правильно ведете себя в церкви или нет, то, вероятно, поступаете все же не так, как положено. Вот список ужасных.
10 загадочных фотографий, которые шокируют Задолго до появления Интернета и мастеров «Фотошопа» подавляющее большинство сделанных фото были подлинными. Иногда на снимки попадали поистине неверо.
Эти 10 мелочей мужчина всегда замечает в женщине Думаете, ваш мужчина ничего не смыслит в женской психологии? Это не так. От взгляда любящего вас партнера не укроется ни единая мелочь. И вот 10 вещей.
Что форма носа может сказать о вашей личности? Многие эксперты считают, что, посмотрев на нос, можно многое сказать о личности человека
Поэтому при первой встрече обратите внимание на нос незнаком
13 признаков, что у вас самый лучший муж Мужья – это воистину великие люди. Как жаль, что хорошие супруги не растут на деревьях. Если ваша вторая половинка делает эти 13 вещей, то вы можете с.
Наперекор всем стереотипам: девушка с редким генетическим расстройством покоряет мир моды Эту девушку зовут Мелани Гайдос, и она ворвалась в мир моды стремительно, эпатируя, воодушевляя и разрушая глупые стереотипы.
Бензогенератор и его подключение

Изначально стоит понять, что если человек не располагает определенными знаниями и навыками подключения и эксплуатации таких механизмов, задача окажется слишком сложной. Лучше будет и вовсе не трогать ни один из кабелей и других частей системы, изначально не посоветовавшись со специалистом в данной области. В противном случае можно не только навредить системе коммуникаций, но и своему собственному здоровью.
Обратившись за помощью к более опытным людям, каждый, кто затеял установку такого агрегата, поймет, что в итоге работа не займет много времени и усилий
В ходе выполнения задач критически важно соблюдать установленный порядок монтажа
Этапы:
Изначально нужно выбрать помещение или специально отделить часть помещения для оснащения его генератором. Основные характеристики, которые должны сопровождать эту часть здания – это хорошая звукоизоляция и постоянная вентиляция. Перед тем, как начать установку, необходимо тщательно изучить информацию, указанную в техпаспорте устройства, и ознакомиться с подробными техническими характеристиками.
Важно! Техника безопасности – вот, что самое главное при выборе места под оборудование. Оно должно эксплуатироваться в надлежащих условиях
- Далее нужно провести провода от генератора к щитку.
- Установка бензинового образца монтируется только при условии присутствия в системе перекидного рубильника.
Последний пункт играет особую роль. Он обязателен потому, что в нем есть три основных диапазона – 1-0-2. Схема его работы:
- Если есть напряжение – рубильник находится в режиме – 1;
- Если электроэнергия отключена – нужно выключить все автоматы в определенном порядке, переставить рубильник в положение – 0, а затем в режим – 2.
Выполнив данные указания можно приступать к включению агрегата.
Как только электричество включили, следует сразу же выключить бензиновый генератор. Слишком долго его не стоит использовать. На электрическом счетчике достаточно легко определить, когда напряжение появилось – начинает светиться специальный диод. Пока он выключен, электричества нет в сети.
Статьи
Как обеспечить загородный дом электроэнергией при нестабильной работе электросети? Приобрести резервный источник питания – надежный качественный генератор – и подключить его к сети дома. Правильное подключение позволит грамотно и безопасно использовать приобретенный агрегат и обеспечивать, тем самым, дом электричеством во время сбоя работы основной сети.
Как подключить генератор?
Есть два варианта ответа – своими руками или воспользовавшись услугами специалистов. Самостоятельное подключение резервного бензогенератора или дизель-генератора к сети частного загородного дома или дачи для использования его в качестве автономного источника энергоснабжения не совсем разумно. Отсутствие знаний и опыта может привести к серьезным и опасным последствиям.
Подключение резервного источника подразумевает решение многих предшествующих этому этапу задач, среди которых:
- время отсутствия электричества – как долго и насколько часто требуется бесперебойная подача энергии;
- количество и объем мощности приборов, которые обязательно должны быть подключены к источнику электричества;
- выбор места для генератора с учетом удобства его использования, безопасности работы, обеспечения защиты агрегата и т.д.
Также, перед тем как подключить резервный генератор к электросети загородного или дачного дома, нужно определиться с тем, какое оборудование для конкретной сети выбрать – дизельный или бензиновый электрогенератор, однофазный или трехфазный, с автоматическим или ручным запуском. Каждый из видов обладает своими особенностями, которые необходимо учитывать, ведь оборудование чаще всего выходит из строя по причине неправильно подобранного агрегата и неграмотного монтажа.

Мы рекомендуем заранее продумать следующие моменты: установка в помещении или на улице, стационарный или мобильный генератор, целесообразность автоматического запуска или готовность к заметным расходам, необходимых для правильного подключения резервного генератора. Любой вариант имеет право на существование, мы умеем это сделать хорошо, но иногда не очень продуманное решение требует несопоставимых затрат. Только 17-летний опыт позволяет нам видеть многие подводные камни, о которых владельцы домов даже не подозревают.
Что дает обращение к услугам специалистов?
Профессиональная помощь – это:
- безопасное подключение электрической части с учетом индивидуальных особенностей вашего дома, например, подключение однофазного генератора к трехфазной сети дома;
- создание грамотной системы выхлопа, вентиляции, шумоизоляции;
- обеспечение дома электропитанием без участия человека, автоматически запуская станцию;
- гарантированно стабильное наличие электроэнергии в доме, когда пропадает внешняя сеть на участке, и т.д.
Если вы закажете услугу подключения дизельного электрогенератора или бензогенератора к домашней сети у нас, в компании GENERATORA.net, то вместе с профессиональной, грамотно и надежно выполненной работой вы получите немало преимуществ.
К ним относятся:
- гарантия на монтажные работы;
- снижение вероятности поломок в процессе эксплуатации;
- возможность сэкономить на ремонте оборудования в гарантийный и послегарантийный период.
Узнать подробнее о том, как правильно выбрать и подключить бензогенератор или дизельный генератор (однофазный или трехфазный) к сети дома силами наших профессионалов, можно у сотрудников магазина. Помимо монтажа мы также показываем и обучаем, как правильно пользоваться оборудованием. Наши специалисты всегда готовы ответить на любые вопросы и предложить выгодную схему сотрудничества.
Как правильно выбрать трехфазный генератор

Дизельный генератор трехфазный PACIFIC I T16K, SDMO (Франция) 11,6 кВт
При выборе фирменных агрегатов придется учесть следующие характеристики:
- вид энергоносителя;
- выходная мощность устройства;
- наличие дополнительных функций.
Вид топлива выбирается с учетом конкретных условий эксплуатации (удобства хранения горючего в жилом доме). Выходная мощность приобретаемого агрегата подбирается с учетом предполагаемой нагрузки, этот показатель варьируется от 5 до 6 кВт на каждую однофазную ветвь
При знакомстве с дополнительным функционалом особое внимание уделяется следующим возможностям:
- регулировка параметров 3-х фазного напряжения (его формы, в частности);
- возможность подключения дополнительных линий (нагрузочная способность);
- наличие электромагнитного реле-регулятора.
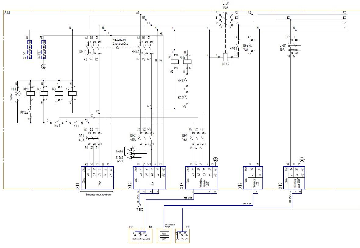
Электрическая схема ДЭС — подключение в разных режимах
В нормативных документах используют отличающиеся обозначения дизель-генератора на схеме. В большинстве случаев ДГУ представлен в виде окружности с размещенной внутри русской буквой «Г» или латинской «G» со значком переменного или постоянного тока.

Электрическая схема дизель-генератора позволит реализовать правильное подключение устройства к сети и нагрузке. На однолинейных изображают силовые линии, необходимые для соединения отдельных элементов.
Кроме обозначения ДГУ, на схеме отображены пульт управления установкой, АВР, коммутационная аппаратура обводного канала (байпаса), распределительный щит, к которому подключаются потребители.
Электрические схемы подключения ДЭС представлены в пакете эксплуатационной документации на каждую установку.
Необходимое оборудование
Чтобы технически правильно соединить генератор с сетью дома, нужно не так много приспособлений. Вот лишь некоторые требования, которые выполняют в обязательном порядке:
Подключение генератора к дому
- Обеспечение отдельного ввода. Рекомендуется выбирать для этого медные провода, обладающие сечением не менее 4 мм2. Их прокладывают, начиная с вводно-распределительного устройства, и заканчивая специально оборудованным местом установки.
- Перекидной рубильник. В последнее время появилось большое количество подобных устройств, которыми можно пользоваться в личных нуждах. Главное — выбирать монтаж на 35-миллиметровую DIN-рейку, это одно из самых универсальных решений. TDM-63 — пример самых дешёвых марок. Но есть более добротные и надёжные устройства — E200 от ABB, SFB от Hagger. Производители сами часто составляют инструкции, описывающие, как подключить генератор к сети дома.
Важно! Схема включения и соединения у большинства устройств отличается универсальностью, простотой. Общая шина отходящих нагрузок чаще подключается на нижнюю часть. Два отдельных ввода подключают с обратной стороны, где парные контакты
У клавиши управления в целом три положения. Цепи разомкнуты, когда оно среднее. Любые производители сейчас допускают производство многополюсных устройств. Это облегчает работы с трёхфазными сетями, системами зануления или заземления повышенной сложности
Два отдельных ввода подключают с обратной стороны, где парные контакты. У клавиши управления в целом три положения. Цепи разомкнуты, когда оно среднее. Любые производители сейчас допускают производство многополюсных устройств. Это облегчает работы с трёхфазными сетями, системами зануления или заземления повышенной сложности.
Трёхпозиционный или перекидной рубильник имеет главный принцип в своей основе — выключатель нагрузки. Это приводит к тому, что конструкции изначально не предусматривает теплового или электромагнитного расцепителя. Каждый ввод требует дополнительной защиты с помощью автомата. Предельный ток у последнего определяют с опорой на допустимую нагрузку по питающей линии
Не важно, к какой шине организовано подключение
Пара двухполюсных автоматов может применяться для самостоятельного изготовления простейшего варианта перекидных устройств. Нужно только выполнить несколько простых действий:
- Поставить приспособления рядом.
- Один переворачивают вверх ногами.
- Затем вместе сцепляют клавиши, для чего в штатное отверстие вставляют стальной штифт. Правило актуально для любых видов генератора электрического тока.
Соединение устройств с сетью
Схемы подключения генератора
Купив мини электростанцию необходимо заняться ее установкой и пуском. Как подключить бензогенератор к дому? Чтобы ответить на этот вопрос нужно выполнить целый ряд действий. Но чтобы оборудование могло играть роль резервного источника питания его необходимо связать с тремя сетями:
- Центральной;
- Бытовых приборов;
- Проводкой от мини электростанции.
Простое подключение
Исходя их этих связей и определяется схема подключения. Она может быть выполнена, как:
- Включение непосредственно в розетку устройства;
- Подключение к общей сети;
- Соединение с единую цепь с центральной проводкой.
Рассмотрим особенности каждого способа. Первый является самым простым и не требует никаких дополнительных навыков и умений. Он может быть выполнен самостоятельно. Такая установка генератора используется в дачных строениях или на рыбалке.
Вторая также не зависит от наличия централизованной системы. Провода от генератора просто подключаются к разводке потребителей энергии. Такая схема называется постоянной. Единственное условие при ее выполнении – это соответствие сечения провода и номинального тока генератора.
Схема подключения к единой электросети
Третья схема установки бензогенератор рассчитается самой сложной. В этом случае мини электростанция соединяется в единую цепь с центральной системой. Для этого используются различные коммутаторы. Только эта схема дает возможность при сбое в сети быстро перейти на питание от генератора. Её называют резервной.
Но если первый способ доступен любому человеку, то два других требуют проведения подготовительных работ. И если вы сомневаетесь в своих способностях, то лучше доверьте выполнение подключения профессионалам. Особенно если выбрана схема подключения бензогенератора с автозапуском.
Этапы подключения
Итак, если вы решили воспользоваться последним из рассмотренных способов подключения, то вам придется выполнить следующие действия. Первое – это выбрать место для установки бензогенератора в помещении. Оно должно быть оборудовано в соответствии со всеми требованиями техники безопасности. Обычно такие помещения оснащаются вентиляционным оборудованием и звукоизоляцией.
Второе – внимательно изучите документацию к оборудованию В ней указываются все технические характеристики прибора.
Третье – подведите провода от генератора к электрощиту дома. Точку подключения рубильника к проводке располагают перед автоматами защиты. Процесс подключения бензогенератора к сети дома требует тщательного выполнения.
Смотрим видео, установка и подключение. Нюансы в работе:
Четвертое – если предполагается подключение без системы автозапуска, то нужно воспользоваться реверсивным или перекидным рубильником. Но в таком случае при отключении электричества вам придется отключить все автоматы и переключить его в положение 0. Через несколько секунд позиция меняется на 2 и только после этого можно заняться запуском оборудования. Поэтому более удобна все же схема подключения АВР к бензогенератору.
Подводим итоги
Как видно из приведенных выше данных ничего сложного в выборе и подключении мини-электростанции нет. С этой работой вполне может справиться каждый человек, имеющий начальные знания по электрике.
Какую из рассмотренных схем установки бензогенератора в помещении выбрать – зависит от специфики вашего помещения и особенностей использования оборудования. Самый простой вариант обычно используется в дачных строениях, так как он предполагает быстрый демонтаж оборудования в случае необходимости.
Для дома с постоянным проживанием обычно выбирают схему подключения генератора с автозапуском. Так как она позволяет переключать питание автоматически при отключении напряжения в сети.
Правила безопасности при использовании домашней электростанции
Соблюдение правил убережет от замыканий, травмирования и т. д.:
- Если станция находится в жилом помещении, то хорошая вентилируемость – первое, что нужно обеспечить. Если же генератор большой мощности, то его следует выставлять на улицу.
- Лучше спрятать станцию от неблагоприятного воздействия погоды, в частности, осадков и влажности.
- При креплении контактов не оставляйте оголенные участки проводов.
- Генераторы на топливе не должны находится рядом с высокими температурами.
Разлитое топливо тщательно вытирают. Перед дозаправкой агрегата выключайте его.
Избегайте контактов с работающим генератором. Не подходите в развивающихся одеждах, ведь вентилятор внутри может затягивать ткань, клеенку и т.д.
Заземление обязательно для дизельных и бензогенераторов.
Как правильно сделать заземление генератора
Для заземления домашней электростанции нужно всего лишь небольшой металлический прут (диаметр -15 мм) и такая же трубка (диаметр – 50 мм, по 1,5 м в длину оба изделия), а также листовое оцинкованное железо (500 мм*1000 мм).
Предварительно разобравшись в особенностях разных видов паяльников, припоев, сделав необходимую подготовку к процессу пайки и придерживаясь всех мер по безопасности — только тогда мастер-любитель может смело утверждать, что знает, как правильно паять паяльником.
Пайка до сих пор является основным методом для создания различных схем. Как не ошибиться с выбором нужного паяльника — поможет эта статья. А здесь можно узнать, как собрать такой инструмент в домашних условиях.
Прочные крепления на обоих концах прута от генератора к трубе в земле гарантируют, что при возможном напряжении их не сорвет потоком мощности. Трубка воткнута глубоко в землю, которая должна быть постоянно влажной, на всю длину. Оставляем только 7-10 см сверху.
Пользуйтесь электрическими приборами правильно!





































