Инструкция: самодельная бетономешалка с двигателем от стиральной машины
Есть два вида бетоносмесителей:
- Механический. Емкость приводится в движение силовым воздействием. Это практически то же, что мешать бетон в обычной емкости. Сколько сил и времени у вас уйдет на работу с ручным приводом? Поэтому лучше остановиться на следующем варианте.
- Электрический. Бак приводится в движение электрическим двигателем.
Технология изготовления бетономешалки довольно простая. Но прежде чем приступить к работе, задумайтесь, сможете ли вы самостоятельно подключить двигатель? Если ответ положительный, тогда подготовьте все необходимое.
Комплектующие
- Бочка от старой стиральной машины объемом 200 литров (желательно с вертикальной загрузкой). Именно такого объема достаточно для замеса оптимального количества бетона для работы.
- Электродвигатель (мощность 200 Вт).
- Шкив, приводной ремень, выключатель от стиралки.
- Для изготовления основания нужен металлический уголок размером 50х50.
- Колеса. Два колеса можно взять от старой коляски, тачки, телеги.
- В качестве оси понадобится прочный стержень из металла на 4,5 см.
- Редуктор.
- Арматура.
- Полоса из металла.
- Шариковые подшипники.
- Провод.
- Шайбы и болты.
Читать также: Какие вольфрамовые электроды для сварки нержавейки
Инструменты
- Болгарка.
- Ножовка по металлу.
- Дрель.
- Паяльник.
- Сварка с электродами.
Почему выгодно делать бетономешалку из старой стиральной машины? Потому что бак машины вполне подходит для замеса раствора, его сливное отверстие можно закрыть. Моторы старых стиралок достаточно прочные и надежные.
Комплексное использование всех элементов защищает двигатель от попадания посторонних предметов при работе. Это избавит вас от необходимости делать защиту.
Пошаговое выполнение работ
Перед тем как приступить к работе, вы можете подготовить чертежи, чтобы облегчить сборку конструкции. Один из чертежей представлен ниже:
Изготовьте каркас (основание)
Это важный момент, поскольку вся конструкция будет опираться на каркас. Основание должно быть прочным и устойчивым.
- От приготовленных уголков 50х50 отрежьте две части по 60 см и четыре по 80 см. Отрезок 60 см служит основанием для опорного треугольника, отрезки 80 см – его ребра. Сложите и сварите треугольники. Поставьте их напротив друг друга.
- Теперь приварите к ребрам треугольников два уголка по 50 см. Получается устойчивая конструкция.
- К вершинам треугольников нужно приварить две гайки. Диаметр их отверстия должен быть больше, чем труба диаметром 30 мм. Затем эту трубу нужно потянуть через отверстия гаек и запрессовать концы. Труба должна свободно вращаться, но не соскакивать с места.
- Изготовьте верхнюю часть. Возьмите два уголка длиной 1,4 м и три по 40 см. Те, что по 1,4 метра, положите друг против друга. Остальные расположите поперек на равном расстоянии, по типу лесенки. Приварите части друг к другу.
- Основания готовой конструкции приварите к подвижной трубе. Располагать ее нужно поперек трубы по центру.
Корпус
К основанию каркаса арматурой прикрепите колеса.
Теперь на очереди бак. Удалите из бака активатор и закройте сливное отверстие. Установите вал или ось подходящего размера на место активатора. Из полосы металла изготовьте самодельные лопасти, которые будут перемешивать бетон. Их можно дополнительно закрутить с помощью плоскогубцев. Приварите лопасти на металлическую полосу и прикрепите к валу.
Чтобы своими руками установить большую бочку, положите ее на лесенку каркаса. Следите, чтобы большая ее часть контактировала с уголком. Приварите бочку к основанию для надежной установки. При этом дно бака должно обращаться к верхушкам треугольников.
Подключение двигателя
Подключается мотор к задней части бака. Для этого на уголках просверлите два отверстия. На корпусе мотора вы также заметите отверстия, приложите их к уголкам и закрепите болтами с гайками.
Чтобы двигатель не сломался из-за непогоды, изготовьте кожух из автомобильной камеры. Предусмотрите отверстия по бокам, чтобы не было перегрева.
Осталось подключить мотор к сети напряжения и проверить работу самодельной бетономешалки. Удобство такой конструкции в том, что лесенка наклоняется по типу качели. Поэтому готовый раствор можно с легкость вылить, наклонив бак.
Зная, как сделать бетономешалку из подручных средств, можно хорошо сэкономить и обзавестись собственной техникой. Действуйте последовательно, и все получится.
Конструкции самодельных бетономешалок
Простая механическая

Бетономешалка открытого типа
Простая бетономешалка с принудительным механическим перемешиванием показана на рисунке. Ее достоинство по сравнению и описанной выше – больший объем. Привод не обязательно электрический; он может быть и ручным. Выгруз – боковой наклоном бадьи.
Главный недостаток общий для мешалок с цилиндрической бадьей: неважное перемешивание по углам. Второй недостаток – разбрызгивание раствора при оборотах более 35/мин
Его можно устранить, наварив после сборки миксера обрезанную часть бочки на место и прорезав в ней люк
Его можно устранить, наварив после сборки миксера обрезанную часть бочки на место и прорезав в ней люк.
Продолжительность замешивания обычного раствора – 5 мин; сухого – 12 мин.
Комбинированная горизонтальная с гребенками

Бетономешалка с гребенчатым иксером
Эта мешалка также может быть и ручной, и электрической. Достоинств два, и весьма существенных: высокая однородность и, соответственно, качество бетона и быстрота замеса. Такая бетономешалка своими руками из бочки дает бетон отменного качества, не уступающий лучшим промышленным образцам, а скорость замеса определяется не временем, а количеством оборотов: 3-4 раза провернул, и раствор готов.
Недостаток один: сложность конструкции. Даже ручная состоит из нескольких десятков наименований деталей. Наименований, не штук. Особого внимания при изготовлении требует выгрузочный люк: карточные петли, шпингалеты и уплотнение для него должны быть очень прочными и надежными. Однако для случаев, когда требуется выполнить значительный объем работ в ограниченные сроки в местах, не обеспеченных электропитанием, это, пожалуй, незаменимый вариант. Бетономешалки такого типа выпускаются промышленностью.
Конструкция бетономешалки с наклоняемой бадьей
«Настоящая электрическая»
Электрическая бетономешалка самой распространенной конструкции, которую чаще всего копируют самодеятельные мастера, особых пояснений не требует. Схема ее представлена на рисунке. Различающихся в деталях конструкций описано множество, и подробные чертежи также легко доступны, поэтому дадим лишь отдельные пояснения:
- Днище и горловину бадьи необходимо укрепить приваренными накрест планками.
- Бадью лучше делать вращающейся заодно с осью: это усложняет конструкцию рамы, но избавляет от необходимости уплотнения вала в днище бадьи, отчего самодельные мешалки чаще всего и служат недолго.
- Лучший миксер для такой мешалки – рамного типа, приваренный к оси.
Вибрационная
Многие домашние мастера, имеющие перфоратор на 1-1,3 кВт с ручным принудительным (не требующим прижатия рабочего органа к стене) включением ударного механизма, пытались делать вибрационные бетономешалки, но чаще всего конструкция оказывалась неудачной.
Типичные ошибки следующие:
Конструкция вибрационной бетономешалки
- Неправильный выбор бадьи. Она должна быть обязательно круглой, достаточно высокой и не очень широкой: оптимальное расстояние от краев вибратора до стенок примерно равно его радиусу.
- Плоский вибратор. Вибратор из металлического листа не возбудит в растворе нужной системы внутренних волн. Профиль вибратора должен хотя бы приблизительно соответствовать показанному на рисунке. Хороший вибратор получается из двух сложенных вместе тарелок или блюдец; желательно – металлических.
- Слишком большой вибратор. Диаметр вибратора – 15-20 см/кВт. То есть, префоратор на 1,3 кВт потянет вибратор из тарелок в 25 см. Более широкий, даже если и будет видимо глазом дергаться, не «раскачает» раствор.
- Неправильное расположение вибратора. Вибратор должен располагаться по оси бадьи на расстоянии примерно своего диаметра от днища. Уровень раствора над вибратором также должен быть примерно равен его диаметру.
При соблюдении указанных условий качество раствора получается отличным. Контроль продолжительности замеса – по поверхности раствора. Перестала булькать и шевелиться, пошли волночки – раствор готов. При не ахти каком хорошем цементе или песке до волночек дело может не дойти. В таком случае – 10 мин минимум.
Вывод
Бетономешалку своими руками сделать нетрудно, а скорость работы увеличивается намного даже с самой простейшей мешалкой. И, конечно, приятнее хлебнуть чайку из термоса пока месит, чем надрываться с лопатой. Не чайку и не из термоса – категорически не рекомендуется: качество работы катастрофически падает при самой совершенной технике.
Видео: оригинальный вариант растворомешалки из автопокрышки “на один раз”
***
2012-2020 Вопрос-Ремонт.ру
Вывести все материалы с меткой:
Перейти в раздел:
Как сделать бетономешалку самому
В промышленности гравитационный способ не используется, так как получаемый цементный состав имеет низкое качество. Гравитационное смешивание приводит к тому, что вся емкость переваливается, а сами составляющие «шлепаются» друг на друга. В итоге они перемешиваются в однородный состав.
Вибрационный способ считается самым надежным методом производства бетона в промышленных условиях. Перемешивание цементного состава происходит с помощью вибромиксера, который предусмотрен в зафиксированной емкости. Этот способ позволяет изготовить качественный цементный раствор.
Механический способ, применяемый одновременно с гравитационным методом, предполагает вращение миксера в неподвижной бадье, имеющей выступы изнутри, что усиливает процесс перемешивания раствора путем вращения.
Способ создания бетономешалки своими руками
Перед тем как приступить к изготовлению агрегата своими руками, следует подобрать емкость необходимого размера. Идеальным вариантом будет использование для этого железных бочек, которые способны вместить не менее 200 л. Этот объем считается хорошим для замешивания нужного количества бетона за 1 раз.
Баками из пластика в качестве материалов для создания агрегата лучше не пользоваться. Такой вид бетономешалки не будет служить длительное время. Изготовить качественный вариант позволит небольшая бочка. Если крышка не предусмотрена, то ее потребуется приварить, вырезав деталь из листа металла, после чего на дно и крышку бочки необходимо прикрепить фланцы, имеющие подшипники.
В боковой стороне емкости вырезается специальный люк, через который можно будет засыпать все составляющие раствора. Данное отверстие следует проделать ближе к тому торцу бочки, который при работе с агрегатом будет расположен ниже. Вырезанная из бочки деталь должна использоваться в качестве крышки люка. Для ее закрепления применяется шарнир и какое-нибудь запорное устройство.
Чтобы цементный состав перемешивался лучше, на внутренние стены емкости необходимо приварить лопасти под углом 30-40º. Для правильного расчета угла наклона в процессе смешивания следует учитывать, что бетонный раствор должен «выталкиваться» наружу. Вместе с тем лопасти можно укрепить не только на стенах, но и на вале агрегата.
Если не удастся отыскать наиболее подходящую емкость, ее можно сделать своими руками. Для этого необходимо подготовить различные инструменты:
- металл листовой шириной 1,5-2 мм;
- аппарат для сварки;
- молоток либо киянку;
- вальцы.
Перед тем как начать резать металл, следует приготовить чертежи с указанием нужных размеров. Схемасоздания корпуса бетономешалки предполагает наличие всех элементов будущей конструкции:
- Центральная круглая секция — 1 шт.
- Дно емкости — 1 шт.
- Усеченные конусы — 2 шт.
Последние элементы в списке необходимы для устройства нижней и высшей части конструкции. Для загибания в кольца деталей, разрезанных по разметке, используются вальцы. Когда все детали тщательно подогнаны, швы можно накрепко сварить.
Чертежи и конструкции самодельных бетономешалок
В первую очередь для бетономешалки необходимо подготовить тару таких размеров, которая будет уместна для ваших видов работ.
Не стоит выбирать маленькие емкости. В них бетон достаточно быстро застоится, а если объема переработанного материала вам окажется мало, потребуется снова замешивать его. Наиболее приемлемый объем емкости — 200 литров.
Следующим шагом вырежете дно средних размеров в вашей будущей бетономешалке.
В том случае, если предполагаемый объем работы бетономешалки будет не очень большим, то его остов вполне может быть деревянным.
Средних размеров брус может быть от 10х10 до 20х20, не более и не менее.
Важно, чтобы соединение деталей в раме должно основываться на приципе «в шип». Кроме того, оно в обязательном порядке должно быть промазано клеем и посажено на саморезы. Такая конструкция гарантирует длительный срок эксплуатации бетономешалки
Такая конструкция гарантирует длительный срок эксплуатации бетономешалки.
Рама для бетономешалки должна быть металлической. Для того чтобы сконструировать ее, заранее запаситесь уголком небольших размеров. За его ответствуем также подойдет швеллер. Гайки, заклепки или даже сварка поможет вам сложить конструкцию.
Что касается двигателя, то в самодельных бетономешалках часто используют мотор от старых автомобилей или скутеров. Опять же, если объемы производства будут незначительным.
Мотор от старой стиральной машинки также придется очень кстати. Его преимущество в том, что он может работать достаточно долго, при этом не перегорая.
Чертежи самодельных бетономешалок в фото — галерее.








В процессе смешивания бетона, важное значение имеет момент кручения бетона. Мотор от стиральной машинки изначально для этого и был предназначен, поэтому способен выдержать любую нагрузку. Для того, чтобы обеспечить это количество, необходимы редукторы
Для того, чтобы обеспечить это количество, необходимы редукторы
Важно, чтобы они были разных схем. Самый примитивный редуктор — это тот, который состоит из шкива и ремня. Но что касается редуктора, то он, разумеется, должен быть цепным
В противном случае такая конструкция просто не будет функционировать
Но что касается редуктора, то он, разумеется, должен быть цепным. В противном случае такая конструкция просто не будет функционировать.
В ролике подробно рассказано и показано, как делается бетономешалка своими руками с чертежами и наглядным пособием по изготовлению.
Инструкция по сборке бетоносмесителя принудительного действия
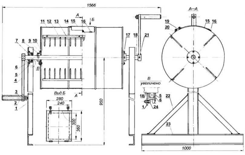
Отличием от предыдущей схемы является наличие наваренных на рабочий вал лопастей, обеспечивающих равномерное перемешивание компонентов с любой плотностью. Для работы используется старая стиральная машинка, основные этапы включают:
- Подготовку рамы из толстого деревянного бруса или металла. В первом случае для соединения отдельных элементов используются система пазов или саморезы, во втором они образуют жесткий каркас с помощью сварочного аппарата. На этом этапе также предусматривается расположение поворотного механизма, облегчающего процесс выгрузки раствора.
- Демонтаж двигателя из стиральной машины и замена его валом.
- Нарезка из толстого листа стали лопастей и прикручивание их к оси при помощи болтов. Чем толще будет металл, тем лучше, ввиду высокой степени износа рекомендуемым минимумом является 3 мм.
- Герметизация сливного отверстия бака.
- Фиксация емкости на жесткую основу.
- Подключение электродвигателя, оптимальным вариантом будет зубчатая передача.
- Монтаж защитного кожуха.

Профессиональные самодельные бетономешалки собираются по готовым чертежам, их отличительной чертой является форма рабочей емкости в виде груши (с сужающимися краями). Ее можно сделать самостоятельно из простой бочки, но лучшие показатели качества растворов и прочности и надежности самого агрегата достигаются при вырезке конусообразных элементов из цельного листа металла и сварке их между собой. Внутри привариваются как минимум две симметричные лопасти, крепление вала на подшипники проводится в первую очередь и лишь потом устанавливается двигатель и редукторная передача.
Нюансы технологии сборки, советы и рекомендации
Основные проблемы связаны с организацией правильной передачи крутящегося момента на вал и обеспечением удобной выгрузки, герметичности и устойчивости. При планировании частого использования предпочтение отдается моделям, поворачивающимся в разные стороны с механизмом фиксации рабочей емкости в определенном положении (ограничителями поворотных шестерней). Для упрощения процесса замеса и обеспечения безопасной и длительной эксплуатации самодельной бетономешалки советуется:
1. Соблюдать соосность и симметричность при размещении лопастей или зубьев внутри бочки или сваренной бадьи. Их сдвиг относительно центра тяжести или друг друга приводит к некачественному перемешиванию раствора, возникновению бокового биения, дополнительным нагрузкам на стенки чаши и быстрому выходу из строя.
2. Зачищать металлические детали от ржавчины и обрабатывать их антикоррозийными грунтами. По окончании сборки смеситель окрашивается еще раз.

3. Устанавливать дополнительные ребра жесткости для улучшения устойчивости как стационарных, так и перемещаемых агрегатов. Во втором случае к нижней части основания привариваются колеса от старой тачки.
4. Сделать две ручки при сборке бетономешалки с ручным приводом. Это позволит вращать ее с любой удобной стороны самому или задействовать силы двух человек.
https://youtube.com/watch?v=-LXMVuKFucs
5. Отслеживать состояние шкивов и аналогичных элементов, соединяющих редуктор и двигатель. Они не должны быть сильно ослабленными или натянутыми, ременная, цепная или зубчатая передача фиксируется на одной плоскости с венцом, закрепленным на основном рабочем валу.
6. Подключать кабель питания к двигателю через пускатель с кнопкой.
7. Использовать однородные виды металла.
8. Предусмотреть защиту двигателя от брызг строительного раствора, такой кожух проще всего соорудить из крупноперфорированного жестяного или стального листа.
9. Делать периодическую проверку и подтягивание соединений болтов бетономешалки.
Преимущества самодельной бетономешалки из стиральной машины
Некоторые считают, что нет ничего лучше фирменной техники. Однако у самодельного бетоносмесителя также есть свои преимущества:
- Кроме того, что вы используете старые запчасти, которые бесполезно лежат в гараже, вы сэкономите средства на покупке новой техники.
- Иметь свою бетономешалку, особенно в частном секторе, всегда кстати. Если нужно будет обновить дорожку или подлатать фундамент, не придется снова разыскивать технику.
- Вы сможете сделать бетоносмеситель по собственному чертежу. Так будет легче починить его при поломке и рассчитать габариты для перевозки в транспорте.
- Качество замеса в бетономешалке не сравнится с ручным, особенно когда объемы работ большие.
Как сделать самодельную бетономешалку: вариант со стационарным барабаном
Чтобы замешивать бетон или раствор, необязательно вращать барабан вокруг своей оси – можно заставить вращаться лопасти внутри барабана. Принцип тестомесилки или обычного кухонного миксера – вот здесь бочка и окажется незаменимым подручным материалом для изготовления самодельной бетономешалки. Принцип изготовления такого агрегата простой – в дне жестко установленной на раме бочке делается отверстие, через которое внутрь емкости заводится вал. Здесь нужен подшипник, причем герметичный. На конец вала (тот, который внутри) насаживается лопасть, изготовленная в виде вилки – кстати, в качестве вала можно использовать вал двигателя, если, конечно, он имеет достаточную длину. Если нет, то его всегда можно нарастить.
Самодельная бетономешалка фото
Теперь остается сделать две вещи – зафиксировать на той же раме, что и бочка, электрический привод. Здесь сложного нет ничего, поэтому разобраться с этим моментом можно самостоятельно и заставить всю эту конструкцию переворачиваться, т.е. обеспечить выгрузку бетона. В принципе, и здесь сложного ничего нет – как и в случае со стиральной машиной. Раму с бочкой и двигателем нужно установить на другую раму и соединить их друг с другом подвижно. Естественно, для удобства в работе следует дополнительно подумать о рычаге, с помощью которого вы будете опрокидывать бочку.
Самостоятельное изготовление бетономешалки – это, конечно, хорошо, но следует знать одну вещь – на большие объемы приготавливаемого в таких устройствах раствора можно не рассчитывать. Они хорошо себя показывают, если разговор идет о приготовлении одного-другого ведра раствора или бетона, но не более. Чтобы сделать действительно хорошую и качественную, а главное, способную замешивать как минимум пол куба раствора установку, подручными материалами не обойтись. Мало того, для больших порций раствора необходим мощный двигатель, который сам по себе стоит немалых денег. Это к тому, что следует подумать над тем, что намного проще и дешевле и, главное, без всякой возни арендовать бетономешалку. Или же второй вариант – купить и потом, когда необходимость в ней отпадет, самому сдавать этот инструмент в аренду.
Самодельная бетономешалка принудительного действия фото
В заключение темы скажу несколько слов о том, что самодельная бетономешалка не обязательно должна иметь электрический привод – достаточно много людей довольствуется ручным вариантом. Да, крутить вороток руками или даже ногами, наподобие как педали велосипеда, тяжело, но зато вы избавитесь от необходимости приобретать дорогостоящий электрический двигатель.
Как сделать бетономешалку своими руками
Здесь вы найдете краткие инструкции и советы по строительству различных типов бетономешалок. Среди этих устройств вы найдете подходящую модель для любых потребностей.
Бетономешалка из перфоратора
Самые простые самодельные бетономешалки — это вибромешалки, в которых используется вращающийся молоток. Многие люди используют обычную дрель с насадкой для перемешивания и просто держат ее над ведром для перемешивания бетона.
Эта бетономешалка работает по тому же принципу, за исключением того, что дрель закреплена и работает сама по себе — вам не нужно постоянно стоять над ней.
Принцип очень прост:
- Найти подходящий перфоратор. Мощность должна быть от 1 кВт до 1,3 кВт. Также обязательно ручное включение ударного механизма.
- Изготовить вибратор. Он должен иметь форму, напоминающую двояковыпуклую линзу (как в увеличительном стекле) – стороны выпуклые, а середина плоская. Простейший способ – надежно скрепить вместе 2 металлические тарелки. Диаметр вибратора должен быть 20 см (если мощность перфоратора 1 кВт) или 25 см (если 1,3 кВт). Для других показателей мощности стоит высчитать точные размеры.
- Найти металлическую емкость с круглыми стенками подходящего размера. Вибратор будет установлен в центре нее, и расстояние от вибратора до стенки емкости должно быть равно его размеру. К примеру, если диаметр вибратора 20 см, то диаметр емкости должен быть 40 см.
- Установить в емкости кронштейн – подставку для перфоратора.
- Зафиксировать на кронштейне вибратор таким образом, чтобы расстояние между ним и дном емкости было идентично его диаметру.
После этого бетоносмеситель можно вводить в эксплуатацию. Для хорошего перемешивания вибратор должен быть заполнен раствором на расстояние, равное его диаметру. Это означает, что с каждой стороны должно быть 20-25 см раствора. Легко подсчитать, что за один раз этот миксер может произвести чуть меньше 100 литров готовой смеси.
В таком смесителе готовность раствора можно легко проверить визуально. Как только «бульканье» прекратится, пузырьки исчезнут — бетон готов.
Ручная бетономешалка из бочки
Ручная бетономешалка — хороший выбор для тех, кому нужно много бетона и кто не против физического труда. Если лимит предыдущей модели — около 98 литров, то нынешняя модель — вдвое больше. Вам нужно только найти 200-литровую металлическую бочку.
- Найти металлическую трубу с сечением 2-3 см. Вырезать на противоположных сторонах бочки 2 отверстия по размеру трубы – она будет использоваться как ось. Желательно реализовать ось по диагонали бочки (раствор будет смешиваться качественнее), но можно и по центру.
- Вырезать в бочке еще одно отверстие, значительно больше по размеру. Туда будут загружаться компоненты для смешивания.
- Ко внутренним стенкам бочки приварить 2 больших лопасти по всей ее длине. Между ними и стенками должен быть небольшой промежуток, чтобы в щели не забивался раствор.
- Вставить трубу, надежно зафиксировать фланцами. Концы трубы должны немного «выглядывать» из бочки.
- Сделать металлическую стойку, на которой бетономешалка сможет удобно разместиться. Высота должна быть такой, чтобы бочка располагалась на уровне пояса человека – работать будет удобнее. Важные условия – опоры стойки не должны мешать вращению оси, а внизу должно быть широкое и устойчивое основание, чтобы бетономешалка не шаталась.
- Приварить к обоим концам трубы-оси по рычагу. Нужно, чтобы рычаги «смотрели» в противоположные стороны. Чем длиннее будут рычаги, тем проще будет вращать конструкцию.
- Сделать плотную (желательно герметичную) крышку для загрузочного отверстия. Ее можно вырезать из металлического листа и проклеить края резиновой лентой, хотя здесь всё по личному усмотрению. Прикрепить крышку к бочке.
Полезные советы
Чтобы работа не прошла даром, лучше не допускать ошибок при изготовлении бетономешалки.
Для этого нужно придерживаться следующих рекомендаций:
- Не используйте тонкостенную тару – она быстро выйдет из строя.
- Выбирайте подходящую мощность двигателя, иначе он быстро перегреется.
- Убедитесь, что основание прочное и устойчивое, учитывая, что во время работы оно будет подвергаться ударам и толчкам.
- Не ставьте барабан слишком высоко, пользоваться им будет неудобно.
- Защитить двигатель и редуктор крышкой от попадания компонентов смеси.
- Не пренебрегайте правилами безопасности при работе с электроприборами.
Бетономешалка, собранная по всем правилам, прослужит долгие годы, избавив вас от утомительной и неприятной работы.
Подготовка чертежей
Выбранную ёмкость необходимо отобразить в масштабе на бумаге. Все расчеты, размеры обязательно переносят на план-схему. Там же отображают расположение каркасной стойки, непосредственно самой бочки и дополнительной фурнитуры (креплений, поворотных механизмов, мотора с защитным щитком).
При отсутствии художественных навыков всегда можно воспользоваться готовыми план-проектами для различных моделей бетономешалок.
Обратите внимание!
Тиски своими руками: простые и надежные самодельные тиски от А до Я (190 фото)
Вибростол своими руками — выбор материалов, узлов и агрегатов для вибростола с пошаговым описанием изготовления
Зернодробилка своими руками — принцип работы, виды и особенности создания устройства для переработки зерновых культур
https://youtube.com/watch?v=cdYu9bNRUw0
https://youtube.com/watch?v=mU7JPUEq4E0
Заключение
Приступая к созданию бетоносмесительного оборудования своими руками, следует учитывать, что от принципа работы собранного агрегата будет зависеть размер фракций наполнителей. Техника принудительного типа способна качественно перемешивать строительные растворы с мелкофракционными включениями. Максимальный размер частиц наполнителя для нее не превышает 5 см.
Установки гравитационного действия для домашней эксплуатации являются более универсальным вариантом. Они позволяют готовить составы с наполнителем разных размеров. Самодельные образцы вибросмесителей по производительности и качеству перемешивания вообще уступают гравитационным и принудительным аналогам. В любом случае, следует учитывать, что модели с электродвигателем для личной безопасности нужно оснащать защитой, например, дифференциальным автоматом.
Также стоит отметить, что несмотря на все плюсы самодельной бетономешалки и сам увлекательный процесс сборки, это может отнять много времени и сил. В современной мире, к сожалению, не каждый может себе это позволить. Особенно при проведении ремонта или строительстве. Или можно столкнуться с проблемой отсутствия материалов и подходящих инструментов, что сильно затрудняет выполнение задачи. В таком случае выгоднее приобрести бетономешалку. Например, в компании “Строительные ресурсы” представлены все типы бетоносмесителей для стройплощадок и ремонта в жилых помещениях. Соответственно найдется бетономешалка как для профессионального так и для бытового использования.



































